EasyManua.ls Logo

Thermal Dynamics CutMaster 50 - Appendix 5: System Schematic for 208; 230 V Units

Thermal Dynamics CutMaster 50
44 pages
Print Icon
To Next Page IconTo Next Page
To Next Page IconTo Next Page
To Previous Page IconTo Previous Page
To Previous Page IconTo Previous Page
Loading...
APPENDIX A-6 Manual 0-2805
A-03269
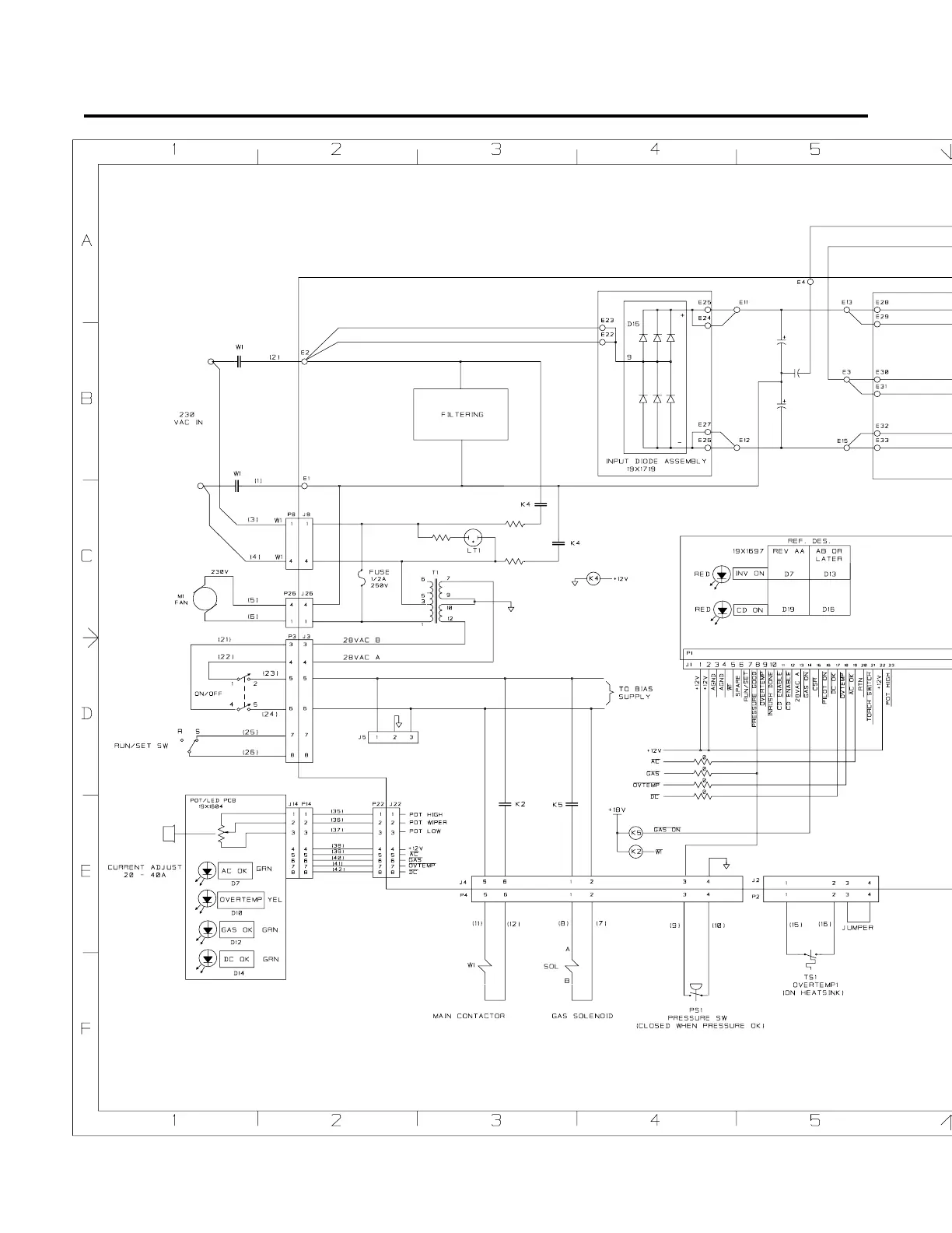
APPENDIX 5: SYSTEM SCHEMATIC FOR 208 / 230V UNITS

Other manuals for Thermal Dynamics CutMaster 50

Related product manuals