EasyManua.ls Logo

Thermo Pride OH8FA119D60C - Page 12

Thermo Pride OH8FA119D60C
72 pages
Print Icon
To Next Page IconTo Next Page
To Next Page IconTo Next Page
To Previous Page IconTo Previous Page
To Previous Page IconTo Previous Page
Loading...
7
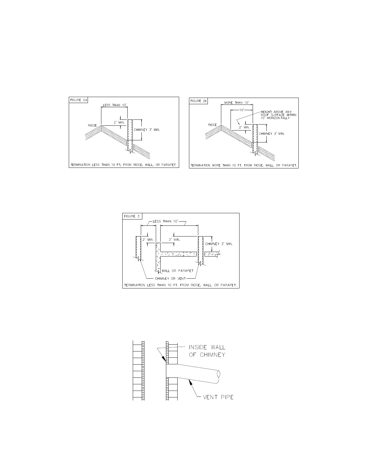
2. PROPER CHIMNEY HEIGHT:
The chimney shall terminate at least 3 feet above the highest point where it passes through the roof of a
building and at least 2 feet higher than any portion of a building within a horizontal distance of 10 feet.
(See Fig. 2a).
Fig. 2: Proper chimney termination height for pitched roofs
If the chimney penetrates a roof more than 10 feet from a ridge, wall or parapet, a minimum of 3 feet
above roof or exit point must be maintained. See Figure 2b.
If the roof is flat rather than the normal residential pitched roof, refer to Figure 3 for proper clearances.
Fig. 3: Proper chimney termination height for flat roofs
3. PROPER VENT CONNECTOR PIPE/CHIMNEY CONNECTION:
The vent connector pipe should extend only to (and not beyond) the inside wall of the chimney (See Fig.
4). A thimble should be used to connect the vent connector pipe to the chimney so that the vent
connector pipe may be readily removed in case of inspection or replacement.
Fig. 4: Proper insertion of the vent connector in the chimney.

Related product manuals