EasyManua.ls Logo

Thermo 1284 - Model 1286 Wiring Diagram

Thermo 1284
44 pages
Print Icon
To Next Page IconTo Next Page
To Next Page IconTo Next Page
To Previous Page IconTo Previous Page
To Previous Page IconTo Previous Page
Loading...
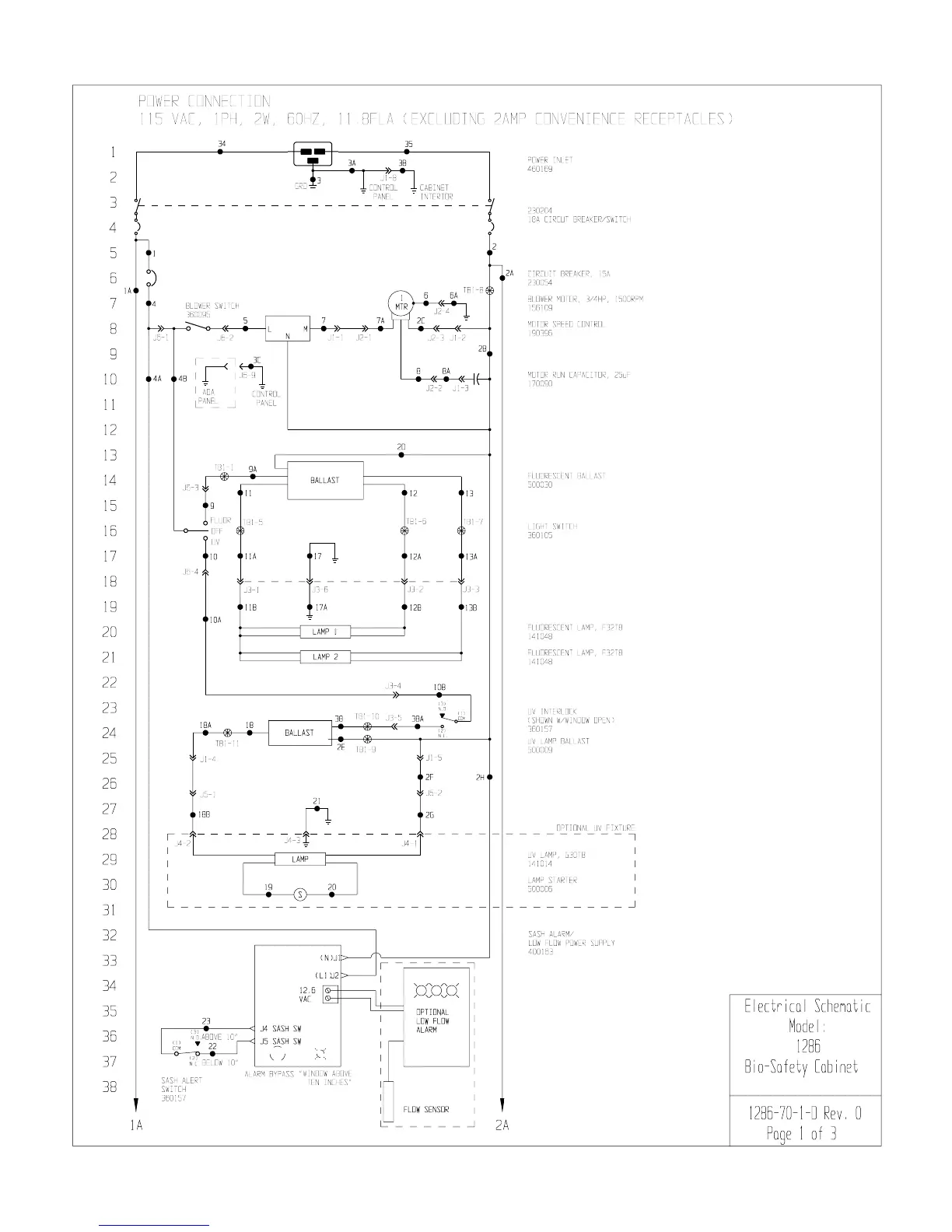
Class II, A2 Biological Safety Cabinets______________________________________________________ Electrical Schematics
14 -7

Related product manuals