EasyManua.ls Logo

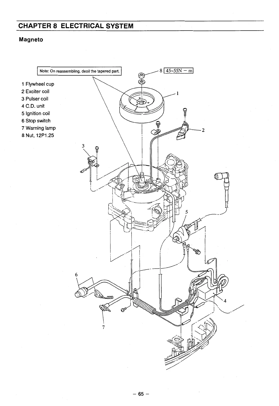
TOHATSU 5 - Magneto

TOHATSU 5
79 pages
Print Icon
To Next Page IconTo Next Page
To Next Page IconTo Next Page
To Previous Page IconTo Previous Page
To Previous Page IconTo Previous Page
Loading...

Table of Contents