EasyManua.ls Logo

Topcon TP-L5GV - Page 56

Topcon TP-L5GV
96 pages
Print Icon
To Next Page IconTo Next Page
To Next Page IconTo Next Page
To Previous Page IconTo Previous Page
To Previous Page IconTo Previous Page
Loading...
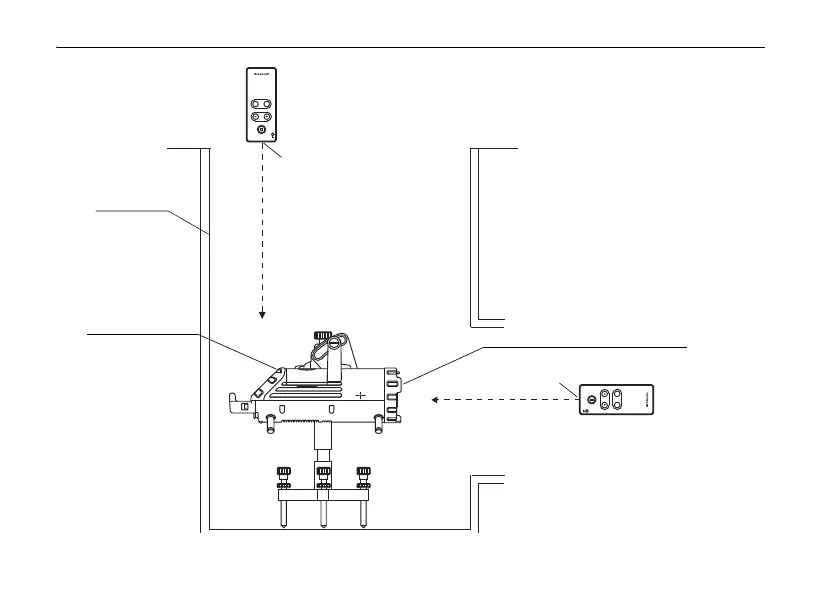
7. STANDARD ACCESSORIES
48
RC-200
RC-200
Manhole
Signal aperture
Remote control receiving window
Remote control
receiving window
Signal aperture

Related product manuals