EasyManua.ls Logo

Toro 30534N - Schematics

Toro 30534N
68 pages
Print Icon
To Next Page IconTo Next Page
To Next Page IconTo Next Page
To Previous Page IconTo Previous Page
To Previous Page IconTo Previous Page
Loading...
Schematics
G014318
0081
SP I
8.4 MPG
R REVE ES
OF RWARD
OF WR ARD
LIO C LOO RE
.41 MPG5
ORF NT
R RAE
EP
T
.6 1 IC D
L
R
GNIREETS
LORTNOC
EVLAV
2
4
1
A
B
KCED
TFIL
R REVE ES
F
EL T
OM TOR
R HGI T
OM TOR
250.
3
X
14 PG5. M
.71 1
1.71
004 p0 sid
004 isp0 d
.1 ic01 d
.1 ic01 d
0. 130 "
.0 "130
23 00 RP M HIGH
31 R00 PM LOW
004 p0 sid
04 p00 sid
.2 00 " X .5 05 " STRO KE
.1 00 " ROD
.2 00 " X 5. 05 " S TRO KE
.1 00" ROD
.1 05 " X 3. 86 " S TRO KE
.0 57 " RO D
.0 37
.0 37 CID
.
.
021 isp
3 P31 SI
87
DISP
0. 60 "0
DI LFF O KC
TPO NOI
.0 "130
93 isp2
93 isp2
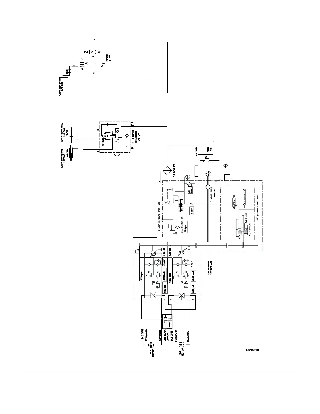
HydraulicSchematic-Models30534&30536(Rev.A)
63

Table of Contents

Related product manuals