EasyManua.ls Logo

Toro 30607 - Schematics

Toro 30607
76 pages
Print Icon
To Next Page IconTo Next Page
To Next Page IconTo Next Page
To Previous Page IconTo Previous Page
To Previous Page IconTo Previous Page
Loading...
Schematics
g020462
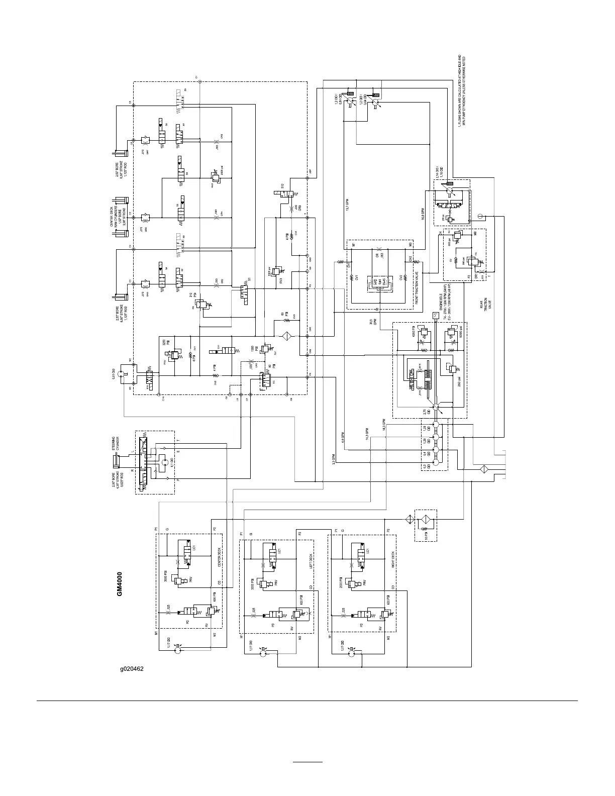
HydraulicSchematic(Rev.B)
74

Table of Contents

Other manuals for Toro 30607

Related product manuals