EasyManua.ls Logo

Toro 31051 - Lubrication; Greasing the Mower Deck

Toro 31051
92 pages
Print Icon
To Next Page IconTo Next Page
To Next Page IconTo Next Page
To Previous Page IconTo Previous Page
To Previous Page IconTo Previous Page
Loading...
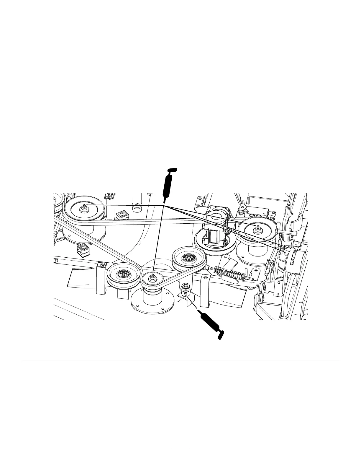
Lubrication
GreasingtheMowerDeck
ServiceInterval:Every50hours—Greasethemowerdeck.Whenoperatingthemachineinextremelydusty
anddirtyconditions,lubricatethemowerdeckdaily.
Greasespecication:No.2lithiumgrease
Important:Dustyanddirtyoperatingconditionscouldcausedirttogetintothebearingsandbushings,
resultinginacceleratedwear.
Note:Lubricatethegreasettingsimmediatelyaftereverywashing,regardlessofintervalspecied.
1.Removethebeltcover;refertoRemovingtheBeltCover(page77).
2.Wipegreasettingcleansodebrisisnotforcedintothebearingorbushing.
3.Pumpgreaseintothebearingorbushing.
4.Wipeoffexcessgrease.
5.Installthebeltcover;refertoInstallingtheBeltCover(page77).
g224587
Figure42
43

Table of Contents

Other manuals for Toro 31051

Related product manuals