EasyManua.ls Logo

Toro 323 - Page 39

Toro 323
44 pages
Print Icon
To Next Page IconTo Next Page
To Next Page IconTo Next Page
To Previous Page IconTo Previous Page
To Previous Page IconTo Previous Page
Loading...
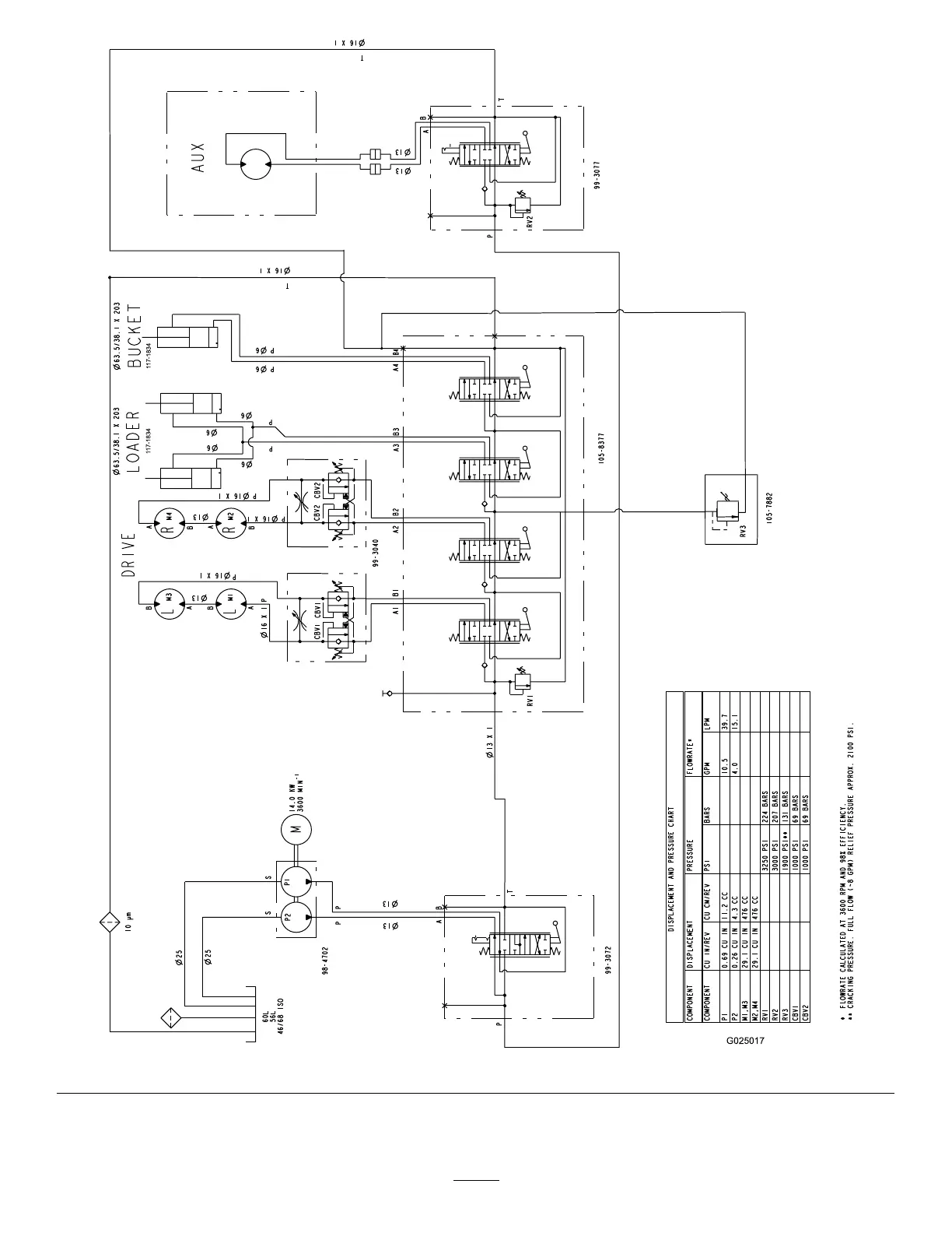
g025017
HydraulicSchematic(Rev.B)
39

Table of Contents

Related product manuals