EasyManua.ls Logo

Toro 72946 - Page 79

Toro 72946
80 pages
Print Icon
To Next Page IconTo Next Page
To Next Page IconTo Next Page
To Previous Page IconTo Previous Page
To Previous Page IconTo Previous Page
Loading...
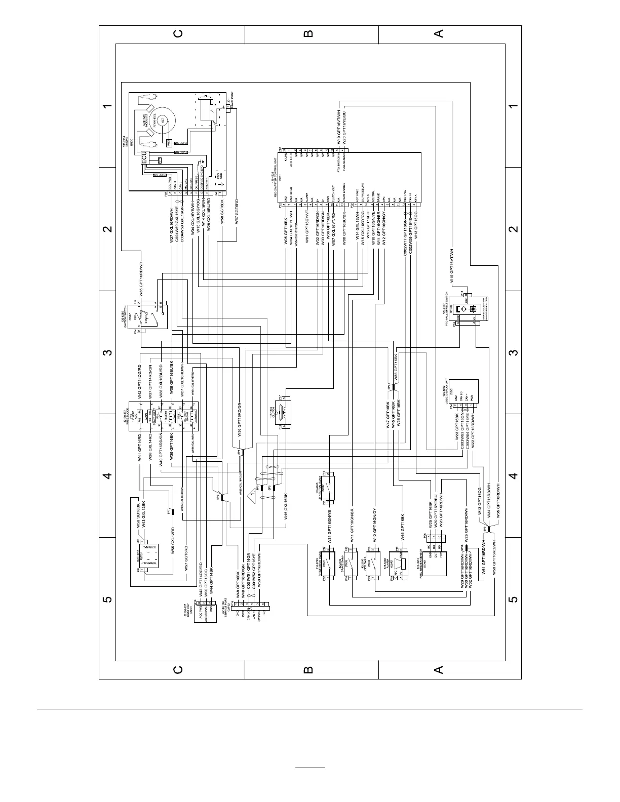
g320253
ElectricalSchematic—KohlerEngines(Rev.B)
79

Table of Contents

Related product manuals