EasyManua.ls Logo

Toro 74841 - Schematics

Toro 74841
56 pages
Print Icon
To Next Page IconTo Next Page
To Next Page IconTo Next Page
To Previous Page IconTo Previous Page
To Previous Page IconTo Previous Page
Loading...
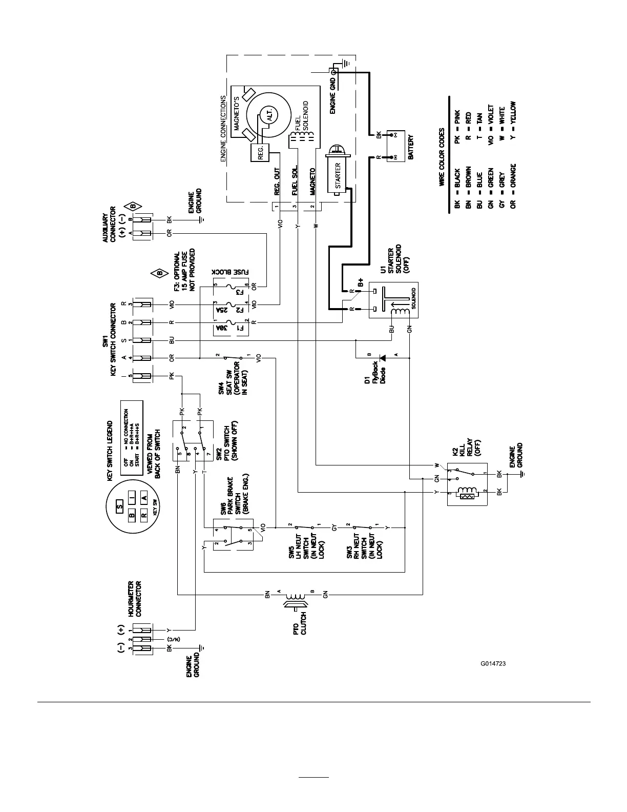
Schematics
G014723
WireDiagram(Rev.B)
55

Table of Contents

Related product manuals