EasyManua.ls Logo

Toro 75967 - Page 75

Toro 75967
76 pages
Print Icon
To Next Page IconTo Next Page
To Next Page IconTo Next Page
To Previous Page IconTo Previous Page
To Previous Page IconTo Previous Page
Loading...
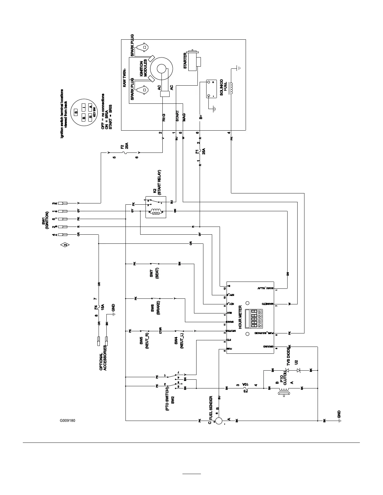
Schematics
g009180
ElectricalSchematic(Rev.A)
75

Table of Contents

Related product manuals