EasyManua.ls Logo

Toro 78370 - Operation; Operating the Power Take Off (PTO)

Toro 78370
24 pages
Print Icon
To Next Page IconTo Next Page
To Next Page IconTo Next Page
To Previous Page IconTo Previous Page
To Previous Page IconTo Previous Page
Loading...
Installation
13
Removing the Recycler Baffle
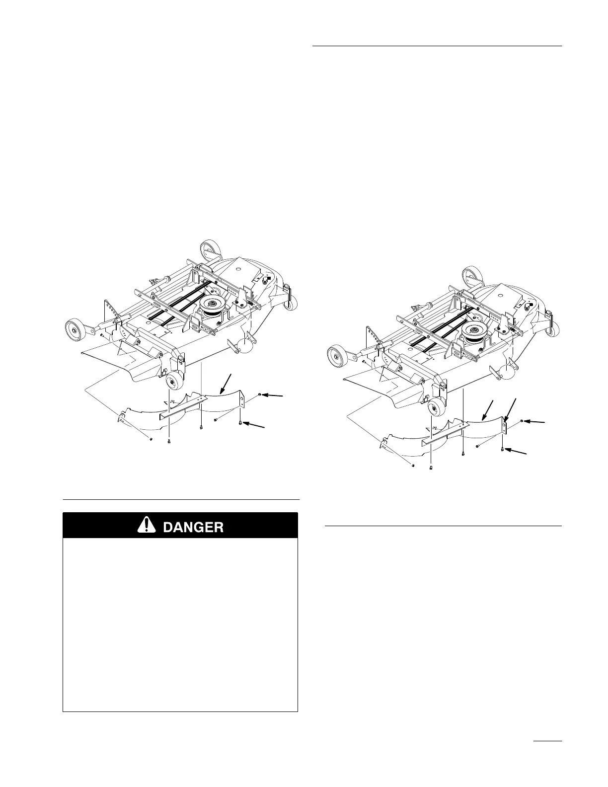
1. Remove lock nuts from top, discharge side and
center flange of right side baffle (Fig. 23). Lower
baffle and slide out discharge opening to remove.
Note: Only the right side baffle need be
removed for side discharge mowing.
2. Install previously removed 5/16–5/8” (16 mm)
bolts and 5/16” lock nuts in open holes of
mower for safety (Fig. 23).
m-3510
1
2
3
Figure 23
1. Baffle right side
2. Bolt 5/16 x 5/8” (16 mm)
3. Lock nut 5/16”
POTENTIAL HAZARD
Open holes in the mower expose you and
others to thrown debris.
WHAT CAN HAPPEN
Debris thrown out of holes in the mower
can cause injury.
HOW TO AVOID THE HAZARD
Never operate mower without hardware
mounted in all holes in mower.
Install hardware in mounting holes when
recycle baffle is removed.
Installing the Recycler Baffle
1. Thoroughly clean the mower.
2. Remove lock nuts from top and discharge side
and center flange of mower (Fig. 24). Slide
baffle into discharge opening and raise into
mower so pin on center flange engages left
baffle.
3. Secure with previously removed 5/16–5/8”
(16 mm) bolts and 5/16” lock nuts in top,
discharge side and center flange holes of baffle
(Fig. 24).
m-3510
1
2
3
4
Figure 24
1. Baffle right side
2. Flange pin
3. Bolt 5/16 x 5/8” (16 mm)
4. Lock nut 5/16”

Related product manuals