EasyManua.ls Logo

Toro eS3000SD 72V - Schematics

Toro eS3000SD 72V
36 pages
Print Icon
To Next Page IconTo Next Page
To Next Page IconTo Next Page
To Previous Page IconTo Previous Page
To Previous Page IconTo Previous Page
Loading...
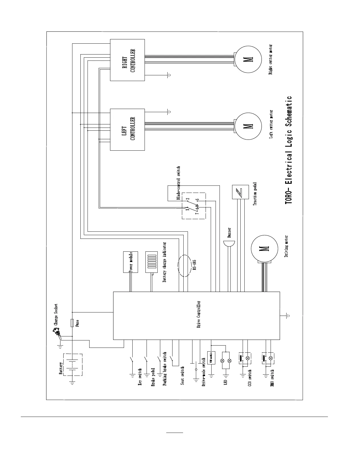
Schematics
g355680
ElectricalSchematic(Rev.A)
33

Other manuals for Toro eS3000SD 72V

Related product manuals