EasyManua.ls Logo

Toro TimeCutter Z17-52 - Kawasaki

Toro TimeCutter Z17-52
118 pages
Print Icon
To Next Page IconTo Next Page
To Next Page IconTo Next Page
To Previous Page IconTo Previous Page
To Previous Page IconTo Previous Page
Loading...
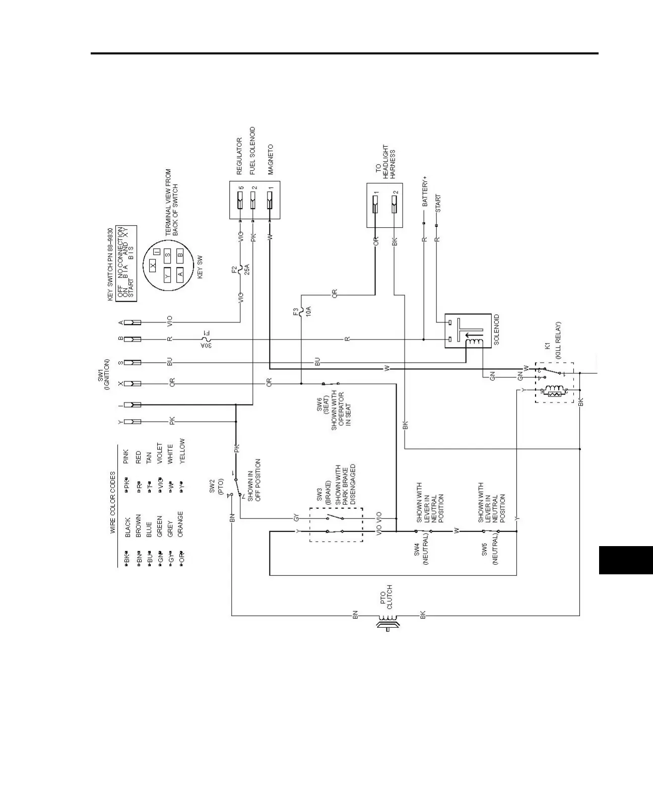
ELECTRICAL SYSTEMS
TimeCutter™ Z Service Manual 8 - 9
8
Electrical Schematic - Kawasaki

Related product manuals