EasyManua.ls Logo

Toro TimeCutter Z17-52 - Kohler

Toro TimeCutter Z17-52
118 pages
Print Icon
To Next Page IconTo Next Page
To Next Page IconTo Next Page
To Previous Page IconTo Previous Page
To Previous Page IconTo Previous Page
Loading...
8 - 10 TimeCutter™ Z Service Manual
ELECTRICAL SYSTEMS
8
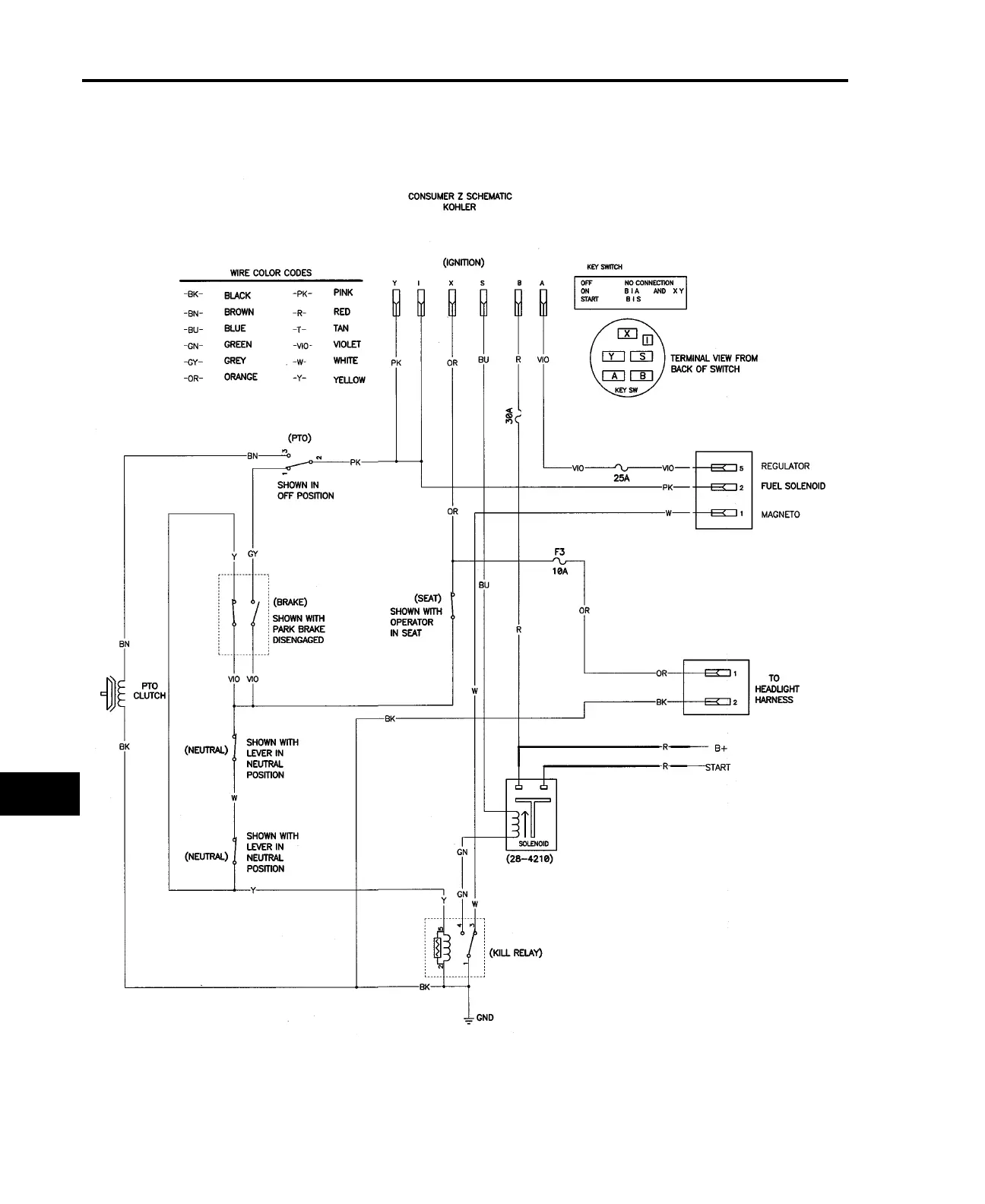
Electrical Schematic - Kohler

Related product manuals