EasyManua.ls Logo

Toro TimeCutter Z5035 - Schematics

Toro TimeCutter Z5035
48 pages
Print Icon
To Next Page IconTo Next Page
To Next Page IconTo Next Page
To Previous Page IconTo Previous Page
To Previous Page IconTo Previous Page
Loading...
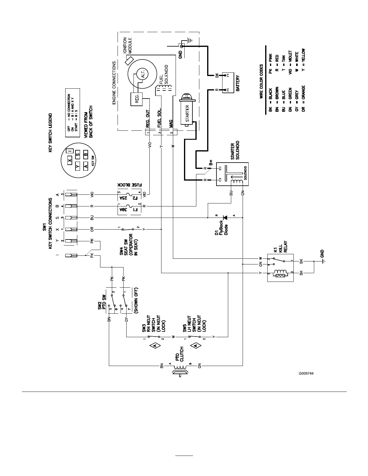
Schematics
G009744
ElectricalDiagram(Rev.A)
44

Table of Contents

Related product manuals