EasyManua.ls Logo

Toro TX 420 - Schematics

Toro TX 420
44 pages
Print Icon
To Next Page IconTo Next Page
To Next Page IconTo Next Page
To Previous Page IconTo Previous Page
To Previous Page IconTo Previous Page
Loading...
41
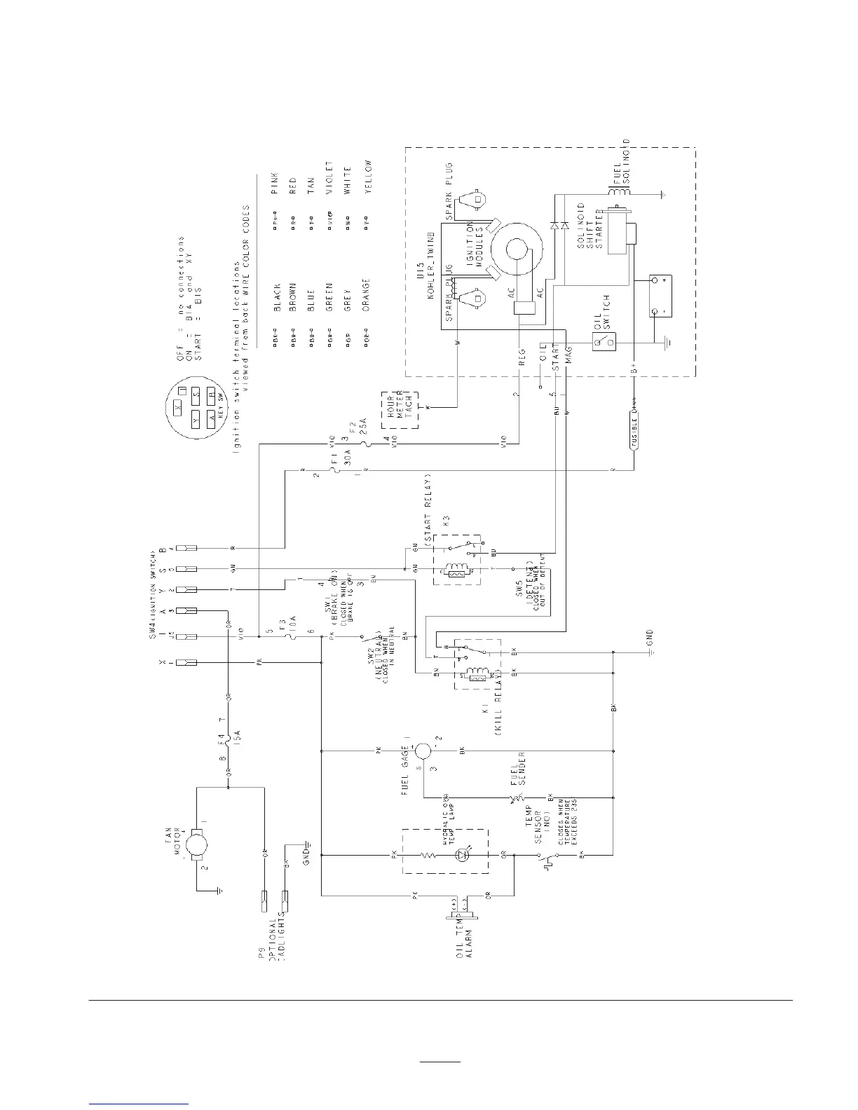
Schematics
Electrical Schematic

Related product manuals