EasyManua.ls Logo

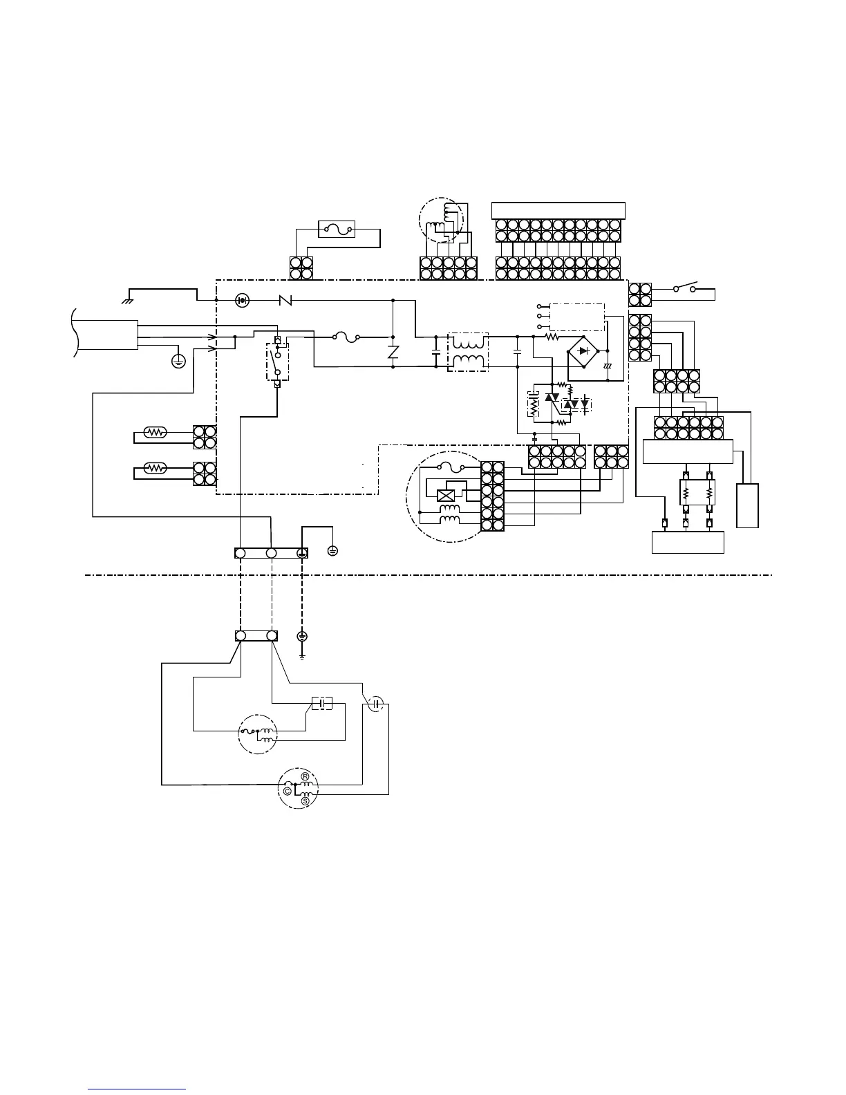
Toshiba RAS-07NKHD-E - Wiring Diagram: RAS-10;07 NKD;UA-E3 Series

Toshiba RAS-07NKHD-E
86 pages
To Next Page IconTo Next Page
To Next Page IconTo Next Page
To Previous Page IconTo Previous Page
To Previous Page IconTo Previous Page
Loading...
12
FILE NO. SVM-04022
BLK
P04
R22
VARISTOR
SG01
RY01
4
3
F01
T6.3A 250V
CN04
R21
VARISTOR
C01
CN11
CN10
BRW
RED
WHI
YEL
GRY
BLK
C15
IC03
CR03
C02
+
DB01 C03
R01
POWER SUPPLY
CIRCUIT
DC12V
DC5V
CN13
CN07
L01
MAIN P.C. BOARD
MCC-5007
AC FAN MOTOR
R27
150°C
R26
R25
73°C
THERMAL FUSE
5
4
3
2
1
5
4
3
2
1
INFRARED RAYS RECEIVE
AND INDICATION PARTS
CN25
PNK
BLU
BLU
BLU
BLU
BLU
BLU
WHI
YEL
YEL
YEL
YEL
WHI
BLU
BLU
BLU
BLU
PNK
Louver
Motor
1
1
2
2
7
8
9
10
3
4
5
6
1
2
11
7
8
9
10
3
4
5
6
1
2
11
7
8
9
10
3
4
5
6
1
2
11
7
8
9
10
3
4
5
6
1
2
11
1
1
2
2
2
2
1
1
4
4
3
3
1
2
1
2
3
4
3
4
1
2
1
2
3
4
3
4
5
6
5
6
High-voltage
Power supply
Ion
Electrode
Air purifier
Electrode
BRW
BLU
CN34
CN33
RED
BRW
BRW
BRW
RED
BRW
BRW
BLK
BLK
BRW
DC12V
3
3
5
5
1
1
3
3
1
1
2
2
3
3
4
4
1
1
2
2
5
5
6
6
BLK/RED
SINGLE PHASE
220-240V 50Hz
BRW
BLU
GRN & YEL
Power Cord
THERMO
SENSOR (TA)
CN03
HEAT EXCHANGER
SENSOR (TC)
CN01
BLK
BLK
1
1
2
2
1
1
2
2
BLK
BLK
1
2
INDOOR
TERMINAL
BLOCK
OUTDOOR
TERMINAL
BLOCK
1(L) 2(N)
CHASSIS
BLK
BLK RED
RED
FAN MOTOR
COMPRESSOR
PNK
WHI
WHI
RED
CAPACITOR
BLK
WHI
GRN & YEL
WP-002
RED
BLK
RED
RED
3-3. RAS-13NKD-E / RAS-13UA-E3

Table of Contents

Related product manuals