EasyManua.ls Logo

Toyota COMPUTER-CONTROLLED SYSTEM - Page 123

Toyota COMPUTER-CONTROLLED SYSTEM
197 pages
Print Icon
To Next Page IconTo Next Page
To Next Page IconTo Next Page
To Previous Page IconTo Previous Page
To Previous Page IconTo Previous Page
Loading...
ISC - Functions of Engine EC
U
4
. ON-OFF CONTROL
VSV TYPE ISC VALV
E
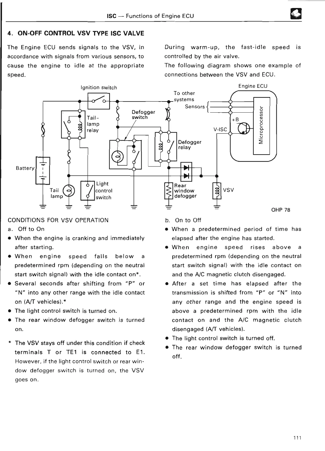
The Engine ECU sends signals to the VSV, in
accordance with signals from various sensors, to
cause the engine to idle at the appropriate
speed
.
Battery
During warm-up, the fast-idle speed is
controlled by the air valve
.
The following diagram shows one example of
connections between the
VSV and ECU
.
CONDITIONS FOR VSV OPERATION
a
. Off to O
n
• When the engine is cranking and immediately
after starting
.
• When engine speed falls below a
predetermined rpm (depending on the neutral
sta
rt
switch signal) with the idle contact on*
.
• Several seconds after shifting
from "P" or
"N" into any other range
with the idle
contact
on (A/T vehicles)
.
*
• The
light control switch is
turned on
.
• The rear window defogger
switch
is turne
d
on
.
* The VSV stays
off under this condition if check
terminals T
or TE1
is connected to
El
.
However, if the light control switch or rear win-
dow defogger switch is turned on, the VSV
goes on
.
OHP 7
8
b
. On to Of
f
• When a predetermined period of time has
elapsed after the engine has started
.
• When engine speed rises above a
predetermined rpm (depending on the neutral
start switch signal) with the idle contact on
and the A/C magnetic clutch disengaged
.
• After a set time has elapsed after the
transmission is shifted from "P" or "N" into
any other range and the engine speed is
above a predetermined rpm with the idle
contact on and the A/C magnetic clutch
disengaged (A/T vehicles)
.
• The light control switch is turned off
.
• The rear window defogger switch is turned
off
.
111

Table of Contents

Related product manuals