EasyManua.ls Logo

Trackunit TU501-4 - Installation Example

Default Icon
16 pages
Print Icon
To Next Page IconTo Next Page
To Next Page IconTo Next Page
To Previous Page IconTo Previous Page
To Previous Page IconTo Previous Page
Loading...
TU501-x
Short Guide TU501-x v4.2, May 2019, ©Trackunit 2019 5
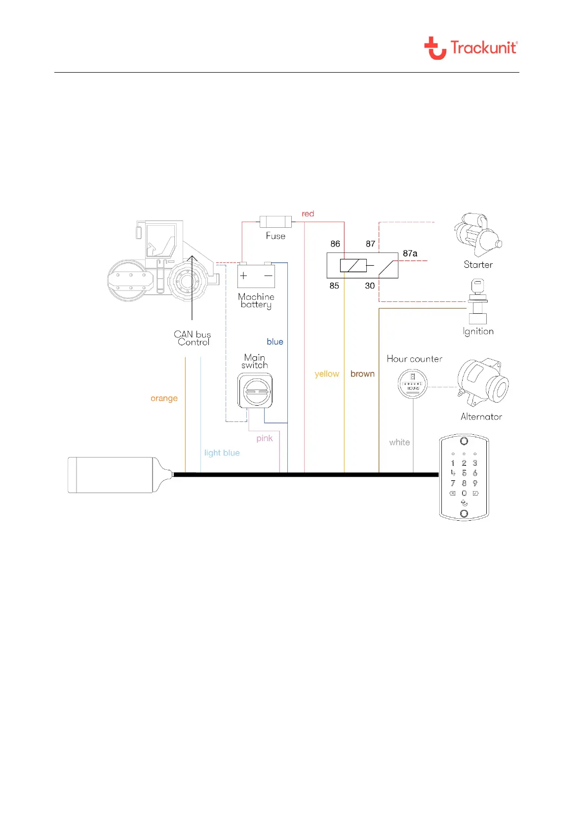
Installation example

Related product manuals