EasyManua.ls Logo

Trane Technologies VariTrane VCEF - Page 42

Default Icon
64 pages
Print Icon
To Next Page IconTo Next Page
To Next Page IconTo Next Page
To Previous Page IconTo Previous Page
To Previous Page IconTo Previous Page
Loading...
42
VAV-SVX08U-EN
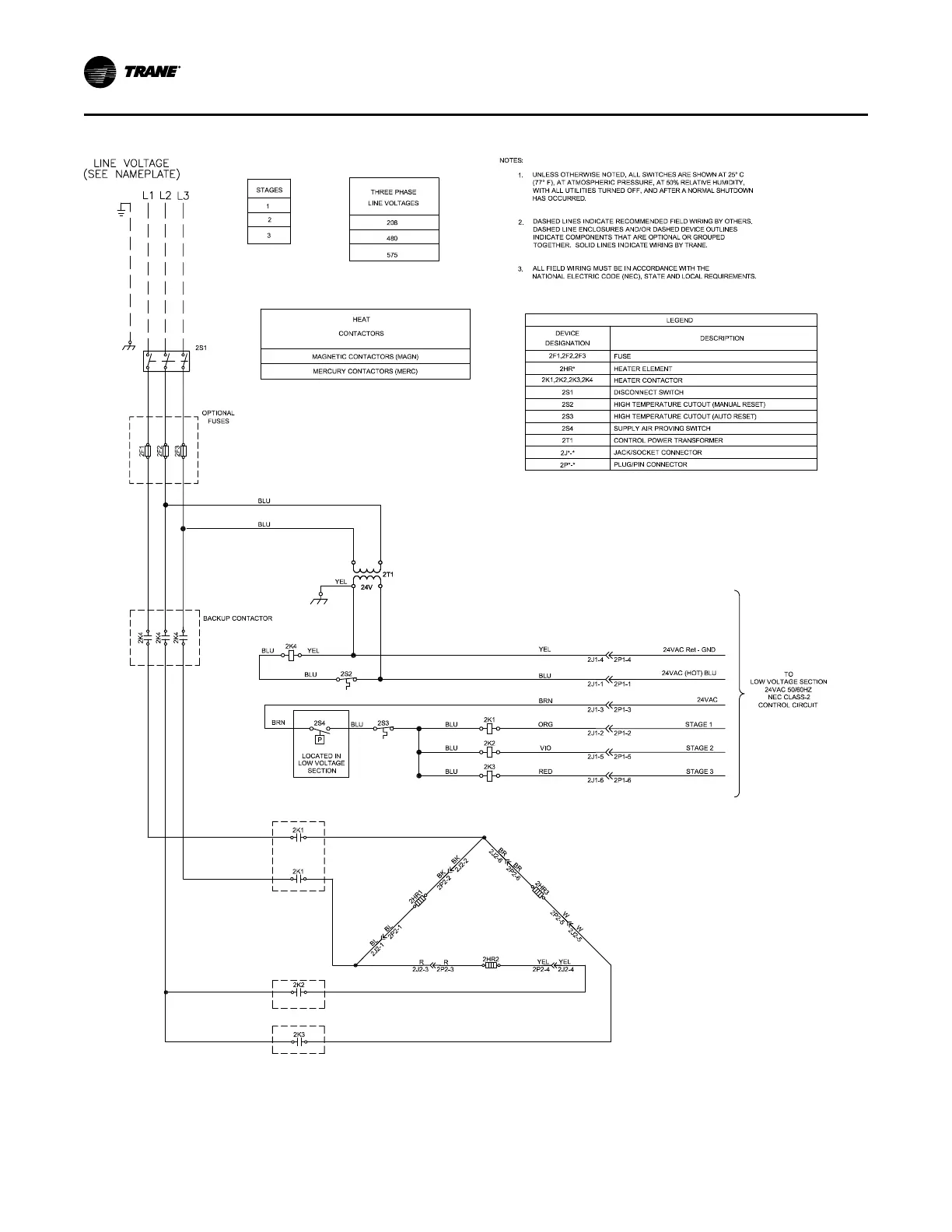
Figure 28. Single duct, three phase, delta, 3 stages
WWiirriinngg DDiiaaggrraammss

Related product manuals