EasyManua.ls Logo

Trane GRAA - Mounting and Location Details; Mounting Options; VFD Temperature Considerations

Trane GRAA
14 pages
Print Icon
To Next Page IconTo Next Page
To Next Page IconTo Next Page
To Previous Page IconTo Previous Page
To Previous Page IconTo Previous Page
Loading...
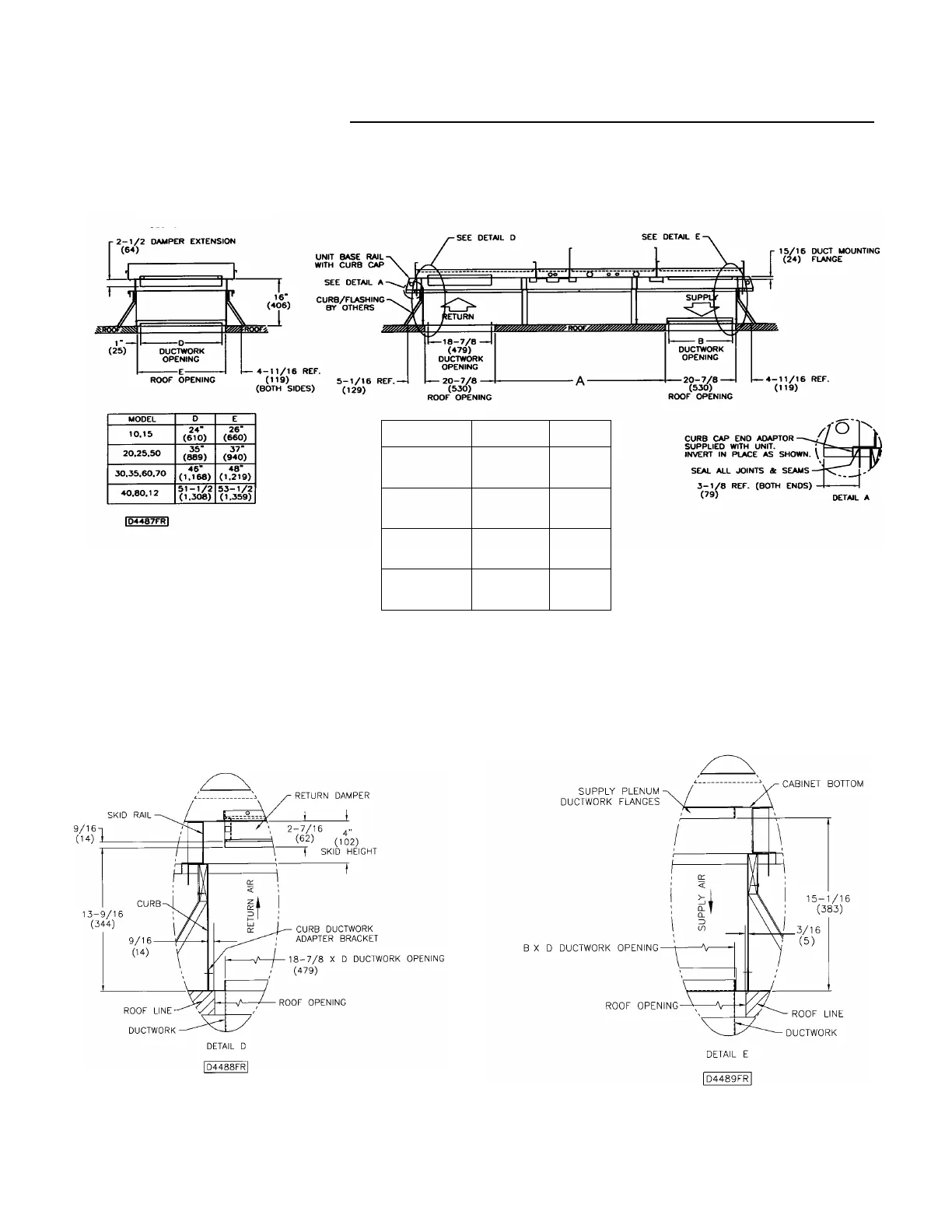
Figure 12 - Roof Curb Application (Also refer to Figures 10, 13 and 14)
Section Y - Y
Section X - X
Figure 13 - Detail D
Figure 14 - Detail E
RA* Capacity B+
C, E 50 thru 80
19-3/8
(492)
J
L
12
50 thru 80
18-7/8
(479)
J 20 thru 40
19-1/8
(486)
J
L
50 thru 80
10 thru 40
19-1/4
(489)
Notes:
RA* = Rooftop Arrangement
+ Dimensions are in inches.
(Dimensions in parenthesis are in millimeters.)
1 lb. = 0.453 kg
NA = Not Applicable
12 GRAA-IN-1

Other manuals for Trane GRAA

Related product manuals