EasyManua.ls Logo

Trane GRBA - General Safety Requirements

Trane GRBA
14 pages
Print Icon
To Next Page IconTo Next Page
To Next Page IconTo Next Page
To Previous Page IconTo Previous Page
To Previous Page IconTo Previous Page
Loading...
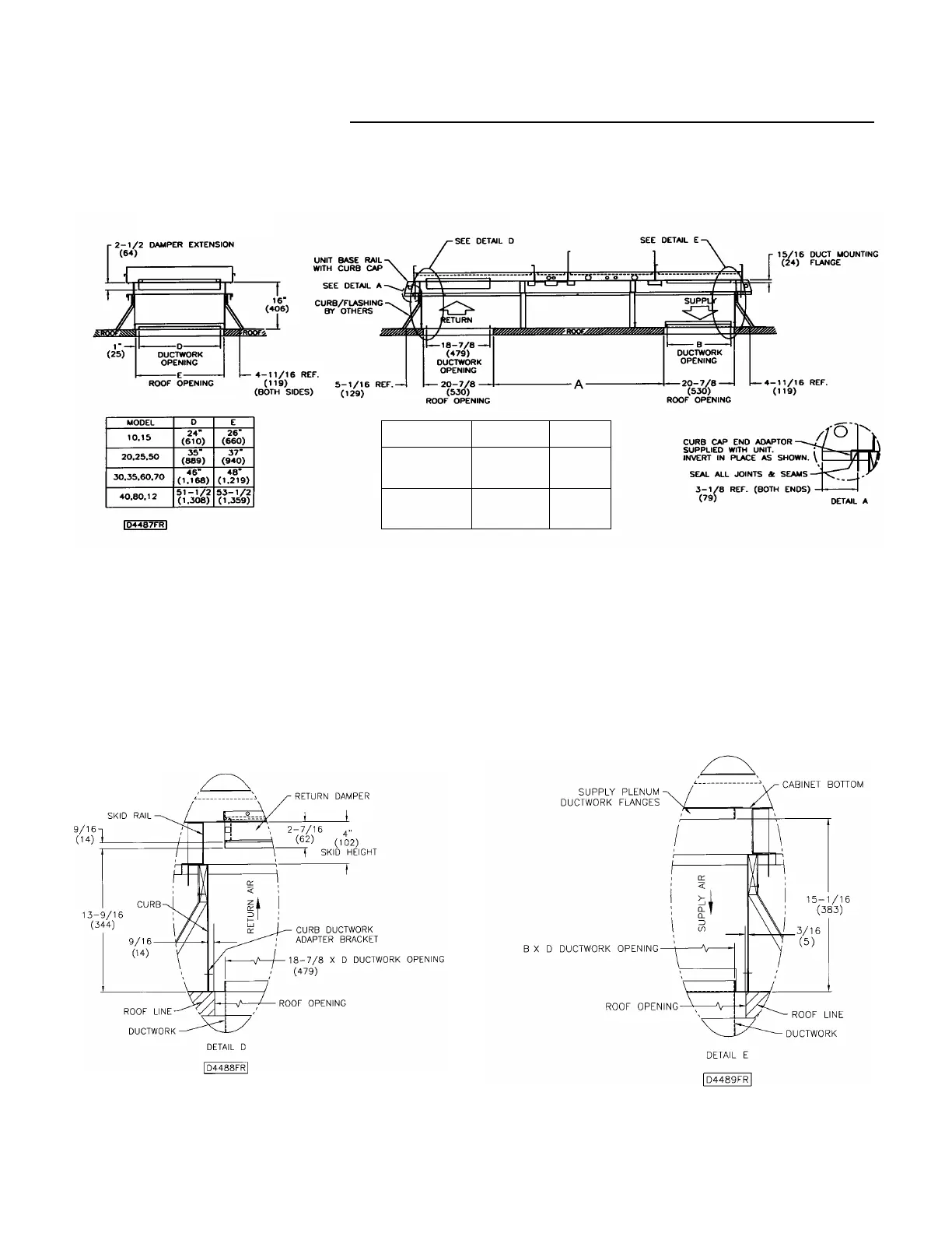
Figure 4 - Roof Curb Application (Also refer to Figures 2, 5 and 6)
Section X - X
Section Y - Y
Figure 5 - Detail D
RA* Capacity B+
C, E 10 thru 40
18-7/8
(479)
C, E 50 thru 80
19-3/8
(492)
Figure 6 - Detail E
Notes:
RA* = Rooftop Arrangement
+ Dimensions are in inches.
(Dimensions in parenthesis are in millimeters.)
1 lb. = 0.453 kg
NA = Not Applicable
GRAA-IN-1 7

Other manuals for Trane GRBA

Related product manuals