EasyManua.ls Logo

Trane HUV - Control Wiring Field Installed Controls

Trane HUV
132 pages
Print Icon
To Next Page IconTo Next Page
To Next Page IconTo Next Page
To Previous Page IconTo Previous Page
To Previous Page IconTo Previous Page
Loading...
86 UV-PRC001-EN
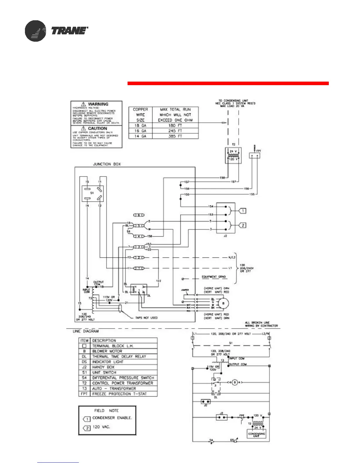
Control Wiring
Field Installed Controls

Other manuals for Trane HUV

Related product manuals