EasyManua.ls Logo

Trane HUV - Control Wiring TUC-ICS

Trane HUV
132 pages
Print Icon
To Next Page IconTo Next Page
To Next Page IconTo Next Page
To Previous Page IconTo Previous Page
To Previous Page IconTo Previous Page
Loading...
94 UV-PRC001-EN
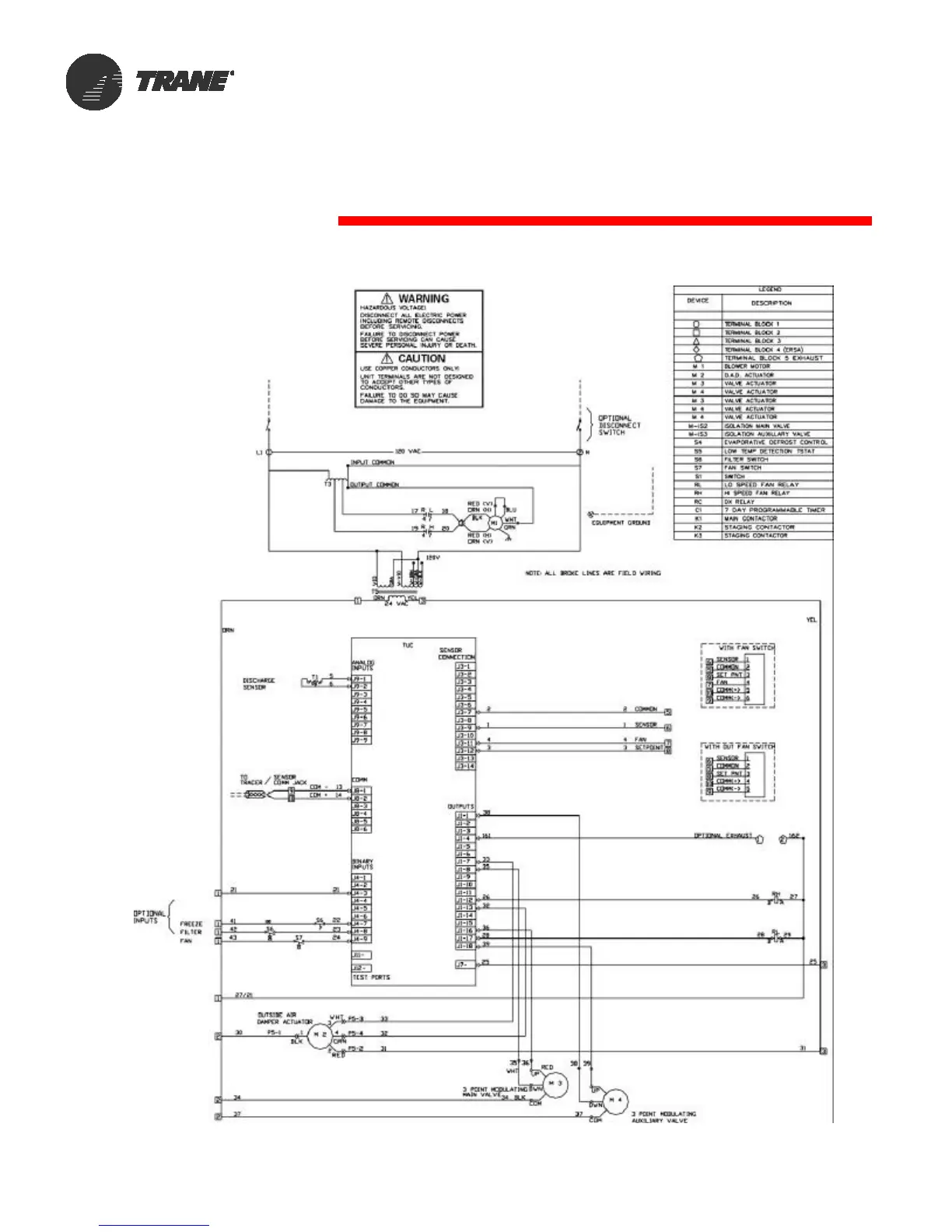
Control Wiring
TUC-ICS

Other manuals for Trane HUV

Related product manuals