EasyManua.ls Logo

Trane RTAA-70 - Remote Evaporator Dimensions, RTAA 70 - 125 Tons

Trane RTAA-70
178 pages
Print Icon
To Next Page IconTo Next Page
To Next Page IconTo Next Page
To Previous Page IconTo Previous Page
To Previous Page IconTo Previous Page
Loading...
20 RTAA-SVX01A-EN
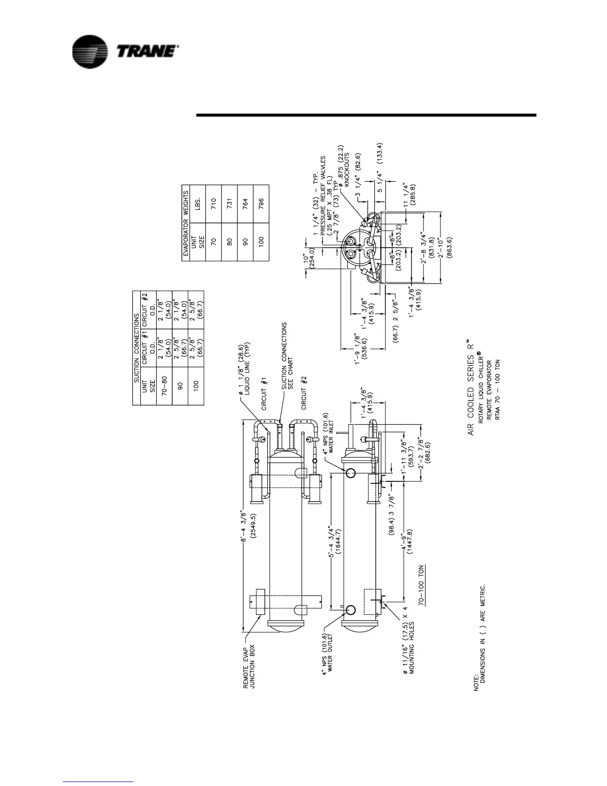
Installation — Mechanical
Figure 10 Remote Evaporator Dimensions, RTAA 70 – 125 Tons

Table of Contents

Related product manuals