EasyManua.ls Logo

Trane RTAA-70 - Remote Evaporator Dimensions, RTAA 110 - 125 Tons

Trane RTAA-70
178 pages
Print Icon
To Next Page IconTo Next Page
To Next Page IconTo Next Page
To Previous Page IconTo Previous Page
To Previous Page IconTo Previous Page
Loading...
RTAA-SVX01A-EN 21
Installation — Mechanical
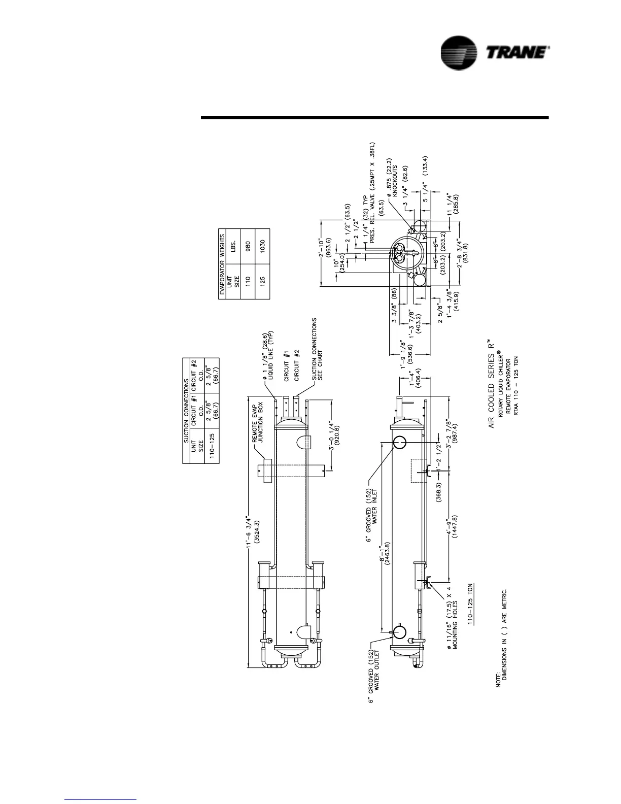
Figure 11 Remote Evaporator Dimensions, RTAA 110 – 125 Tons

Table of Contents

Related product manuals