EasyManua.ls Logo

Trane RTHA - Page 25

Trane RTHA
48 pages
Print Icon
To Next Page IconTo Next Page
To Next Page IconTo Next Page
To Previous Page IconTo Previous Page
To Previous Page IconTo Previous Page
Loading...
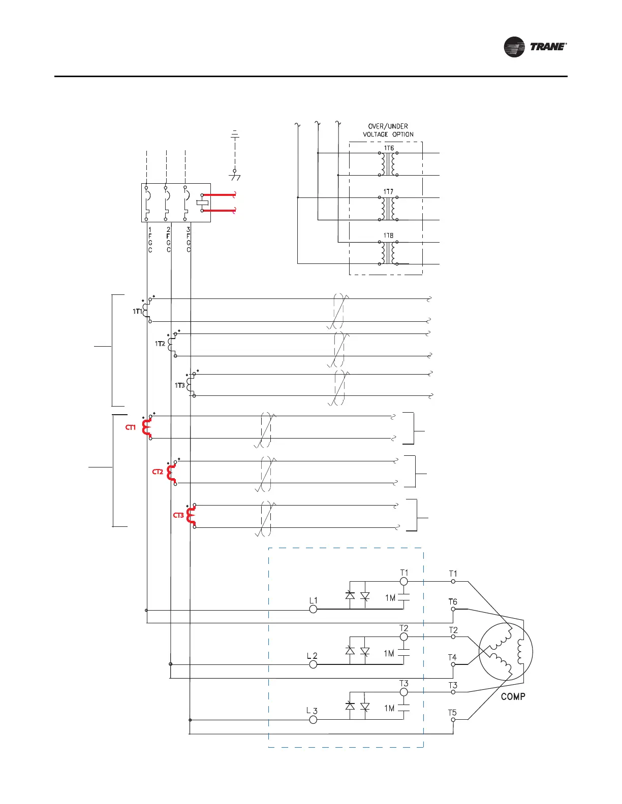
Figure 23. Power wiring (new wiring bold/highlighted in red) — RTHC
To TB3 - CT1
on Benshaw SSS module
To TB3 - CT3
on Benshaw SSS module
To TB3 - CT2
on Benshaw SSS module
CT1
CT2
CT3
1T1
1T2
1T3
To UCP2, J16-1
To TB nuetral
COMP
Benshaw Starter
UCP2 CTs
Benshaw
SSS CTs
To J5-1 on UCP2
To J5-2 on UCP2
To J5-3 on UCP2
To J5-4 on UCP2
To J5-5 on UCP2
To J5-6 on UCP2
RTHC Units with EasySTART (or Wye-Delta) Starter
RLC-SVN005B-EN 25

Related product manuals