EasyManua.ls Logo

Trane RTHA - Page 30

Trane RTHA
48 pages
Print Icon
To Next Page IconTo Next Page
To Next Page IconTo Next Page
To Previous Page IconTo Previous Page
To Previous Page IconTo Previous Page
Loading...
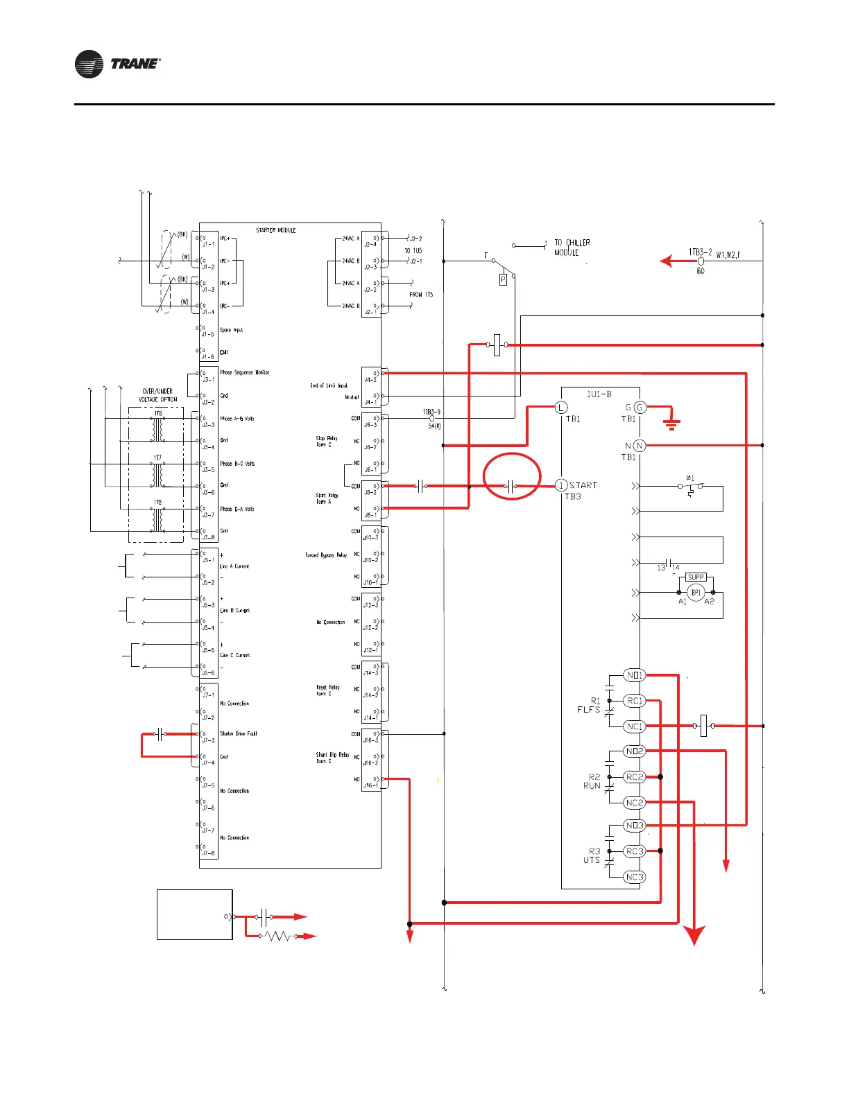
Figure 28. Control power wiring (new wiring bold/highlighted in red) — RTHC - MX2 Starter
OT SWITCH
BP1
AUX
201
202
206
203
205
204
1K11/
1K400

(N)
(H)
1K3001K300
To T1To T1
To T2To T2
To T3To T3
HPC
1K300
120/240 VAC (input)
1K11/
1K400
TO OIL
HEATERS
(4HR1, 4HR2)
1K11/
1K400
TO SHUNT
TRIP COIL
(Breaker)
TO SHUNT
TRIP
(Breaker)
1K11/
1K400
Chiller
Module
J22-1
Master Oil
Valve (4L3)
(H)
(N)
NOTE:
1. Connection to start signal is required. If you don’t use this contact, you need to place a wire to the start signal.
Optional contact.
See note 1.
To J22-1
wire 75A, B
RTHC Units with IT (or Wye-Delta) Starter
30 RLC-SVN005B-EN

Related product manuals