EasyManua.ls Logo

Trane S8V2B060M4PD - Wiring Diagrams

Trane S8V2B060M4PD
84 pages
Print Icon
To Next Page IconTo Next Page
To Next Page IconTo Next Page
To Previous Page IconTo Previous Page
To Previous Page IconTo Previous Page
Loading...
S8V2-SVX001-1A-EN
15
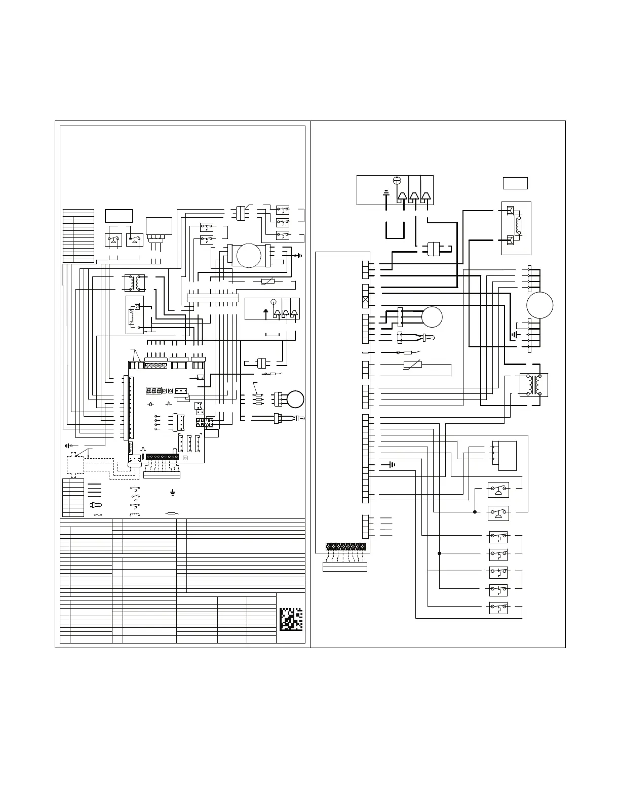
Wiring Diagrams
BK BLACK
BL BLUE
BR BROWN
GR GREEN
GY GRAY
OR ORANGE
RD RED
WH WHITE
YL YELLOW
2 Stage Inducer with ECM Blower Motor
CPC
Cooling (CFM/Ton)
E08
Flame Current Is Low, But Still Strong Enough To Allow Operation
Status Codes
CPH
Heat Pump Heating (CFM/Ton)
.1.9E
Open Inducer Limit Switch
COM
Communication Mode
(Always Present)
HOd
Heat Off Delay
.2.9E
Open Condensate Switch
ISd
Inter-Stage Delay
.3.9E
Condensate Lockout
IdL
Idle (24 Volt Mode)
gHC
Gas Heating CFM (Airflow x10)
.4.9E
Furnace Control Mismatch Error
rUn
Run Test Mode
SAt
Supply Air Temperature
E11
(1) 1st stage gas valve not energized when it should be (2) Gas Valve Energized Without Request, 2nd Stage
(3) 2nd Stage Gas Valve Not Energized When It Should Be
(4) Redundant Relay (HLO Output) Not Energized When It Should Be
(5) Gas Valve Relay, GV1, Is Stuck Closed
HLd
Hold state during a run test
rAt
Return Air Temperature
uEr
Verification Test Mode
rSP
Return Static Pressure
COF
Continuous Fan
rUn
Run Test Mode
CL1
1st Stage Cooling Error Codes
E12
Open fuse
CL2
2nd Stage Cooling
EO1
Loss of the IRQ/Other Internal Failures
E13
Blower Motor HP Or OEM ID Does Not Match Furnace
HP1
1st Stage Heat Pump
.1.2E
Retry Exceeded (Failed to est flame)
One Hour Lockout Time
E14
Configuration File Error
HP2
2nd Stage Heat Pump
E17
Blower Communication Error
Ht1
1st Stage Gas Heat
2.2.E
Recycles Exceeded (Loss of Established
flame). One Hour Lockout Time
E23
Menu Parameters Not Received By CCM
Ht2
2nd Stage Gas Heat
E24
Communication Lost Between The ACM And CCM
dFt
Defrost
.3.2E
1st Stage Gas Valve Not Energized
when it should be. One hour lockout time
E25
Orientation Sensor Out of Bounds or not responsive
ArF
Airflow
E26
Static Pressure Transducer Out Of Bounds Or Not Responsive
fD
Factory Default Reset
.1.3E
Shorted Pressure Switch, 1st Stage
E27
Return Thermistor Out Of Bounds Or Not Responsive
FdF
Factory Default Reset Fault
.2.3E
Open Pressure Switch, 1st Stage
E28
Supply Thermistor Out Of Bounds Or Not Responsive
___
Incomplete Menu Data
.3.3E
Shorted Pressure Switch, 2nd Stage LED Flash Rates
D346641P01 REV B
Menu Options
.4.3E
Open Pressure Switch, 2nd Stage
Condition
Communication
LED (CAN) (AMBER)
Status LED
(GREEN)
Orn
Orientation
.04E
Open High Limit
Err
Active Alarm Menu
E4.1
Open Reverse Airflow Limit Idle --- Off
L6F
Last 6 Faults (To Clear,
Hold Option Button 5 sec)
E4.2
Open Rollout Limit 24V Mode --- ---
E05
Flame Detected, Should Not Be Present Active Demand --- Slow
Cr
Code Release Number
.1.6E
Voltage Reversed Polarity Comm Established (CAN) Node Count ---
MNR
Model Number Recovery
.2.6E
Bad Grounding Active Error --- 2 Flash
COd
Cooling Off Delay (sec)
.3.6E
(1) Igniter Relay Fails (2) Igniter Open Communication Lost (Modbus) --- 3 Flash
Odt
Outdoor Tonnage
E7.1
1st Stage Gas Valve (MVL) Is
Energized When It Should not be
Communication Lost (CAN) Fast ---
OdU
Outdoor Unit Startup Solid Solid
COF
Blower Constant Fan
Airflow Multiplier %
E7.2
Redundant Relay (HLO Output)
Energized When It Should not be
Bluetooth Pairing
Flash: 1s-on 1s-off
Simultaneous w/Status LED
Flash: 1s-on 1s-off
Simultaneous w/Comm LED
12V Rx
Tx GND
Model Number Recovery
24 Volt Operation ONLY
Display Model Number
1
S8V2A040M3PC*
2
S8V2B060M4PC*
3
S8V2B080M4PC*
4
S8V2C080M5PC*
5
S8V2C100M5PC*
6
S8V2D120M5PC*
7
S8V2A040M3PD*
8
S8V2B060M4PD*
9
S8V2B080M4PD*
10
S8V2C080M5PD*
11
S8V2C100M5PD*
12
S8V2D120M5PD*
YL/44
RD/43
WH/37
BK/38
BK/38
WH/36
BL/35
RD/16
RD/16
RD/2
RD/2
WH/22
WH/22
BK/36
BK/36
WH/31WH/31
BL/32 BL/32
BK/20
0
2/K
B
WH/23
WH/21
WH/21
WH/27
72/HW
82/KB
BK/28
62
/
HW
52/D
R
4
2
/KB
BL/11
BL/11
RD/3
RD/3
BL/14
BL/14
RD/1
RD/1
BR/4
4/RB
RD/15
RD/15
GR/9
BR/5
BR/5
WH/17
YL/52
YL/52
RD/51
91/KB
BK/19
GR/YL/35
GR/YL/3
5
RD/49
YL/48
BK/34
BK/34
OR/7
OR/7
BK/53
BURNER
BOX GND
NOTES:
1. IF ANY OF THE ORIGINAL WIRING AS SUPPLIED WITH THIS FURNACE MUST BE REPLACED, IT MUST BE WITH WIRE
HAVING A TEMPERATURE RATING OF AT LEAST 105ºC. WIRES 17, 48, 49, 50, 51 52, 92, 93, 94 MUST BE RATED TO 250°C.
2. COOLING ONLY - Y1 OR Y1 AND Y2 MUST CONNECT FROM THE THERMOSTAT TO THE IFC LOW VOLTAGE TERMINALS
FOR PROPER AIRFLOW. LEAVE Y1-O JUMPER IN PLACE FOR CORRECT LED READOUT, IN 24 VOLT MODE ONLY.
SEE INSTALLER’S GUIDE FOR FIELD WIRING.
3. FOR SINGLE STAGE THERMOSTATS, JUMPER "W1" AND "W2" TERMINALS. SECOND STAGE HEATING WILL BE ENERGIZED
ONCE THE INTER-STAGE DELAY HAS EXPIRED, IN 24 VOLT MODE ONLY.
4. HEAT PUMP - Y1 OR Y1 AND Y2 MUST CONNECT FROM THE THERMOSTAT TO THE IFC LOW VOLTAGE TERMINALS FOR
PROPER AIRFLOW. REMOVE Y1-O JUMPER FOR DEFROST OPERATION AND CORRECT LED READOUT, IN 24 VOLT MODE ONLY.
5. THE INDOOR BLOWER MOTOR AIRFLOW TABLES ARE LOCATED IN THE SERVICE FACTS. TO CHANGE AIRFLOW USE THE
MENU/OPTIONS BUTTONS, IN 24 VOLT MODE ONLY.
6. LINE CHOKE ONLY AND WIRE BK/36 USED ON MODELS WITH 1 HP MOTORS.
7. FLAME SENSE TEST PADS: 1 VDC = 1 MICROAMP. FLAME CURRENT CAN VARY DEPENDING ON THE VOM THAT IS USED
AND THE VOLTAGE SUPPLIED TO THE FURNACE. THE ACCEPTABLE RANGE IS 0.75-3 MICROAMPS.
8. IN COMMUNICATION MODE MUST USE DIAGNOSTICS APP. MENU AND OPTION BUTTONS DISABLED.
9. DEFAULT ACC1 SETTINGS ARE FOR ELECTRONIC AIR CLEANER AND ACC2 SETTINGS ARE FOR HUMIDIFIER.
THESE ARE CONFIGURABLE IN THE TECH APP.
S8V2-C
SEE NOTES 2, 3, 4
33/KB
INTEGRATED FURNACE CONTROL
ELECTRICAL RATING
INPUT: 24 VAC, 60 HZ.
TNS SEC. CURRENT: 450 MA.
+ MV LOAD
MV OUTPUT: 1.5A @ 24 VAC
IND OUTPUT: 2.2 FLA, 3.5 LRA
@ 120 VAC
IGN OUTPUT: 2.0 A @ 120 VAC
CIRC. BLOWER OUTPUT: 14.5 FLA,
25 LRA @ 120 VAC
HUMIDIFIER @& AIR CLEANER
(DRY CONTACTS)
MAX. LOAD: 1.0 A @ 120 VAC
24 VAC OR 120 VAC MAY BE USED
FUSE: 5A
TIMINGS
PREPURGE: 0 SEC.
INTERPURGE: 60 SEC.
POST PURGE: 5 SEC.
IGN WARMUP: 20 SEC.
IAP: 3; TFI: 5 SEC.
RETRIES: 2 RECYCLES: 10
HEAT ON DELAY: 30 SEC.
COOL ON DELAY: 0 SEC.
AUTO RESTART: 60 MIN.
AUTO RESTART PURGE: 60 SEC.
LINE
24 V
LINE
24 V
FIELD
WIRING
FACTORY
WIRING
RAF REVERSE
AIR FLOW
PS PRESSURE
SWITCH
FRS FLAME
ROLLOUT SWITCH
FP FLAME PROBE
IGN HOT SURFACE
IGNITER
FUSE
LC LINE CHOKE
GROUND
PANEL LOOP
FP FLAME PROBE
GND GROUND
H LINE
HI SECOND STAGE
HLI HIGH LIMIT INPUT
HLO HIGH LIMIT OUTPUT
IFC INTEGRATED FURNACE
CONTROL
IND INDUCER
LO FIRST STAGE
MVC VALVE COMMON
MVL VALVE LOW STAGE
MVH VALVE HIGH STAGE
N NEUTRAL
PS1 1ST STAGE PRESSURE
INPUT
PS2 2ND STAGE PRESSURE
INPUT
PSO PRESSURE SWITCH OUTPUT
RAF REVERSE AIR FLOW
RLI ROLL-OUT LIMIT INPUT
TH 24VAC (HOT)
TR 24VAC (COMMON)
TNS TRANSFORMER
IGN IGNITER
YL/45
YL/45
SEE NOTE 6
WH/30 WH/30
BK/29 BK/29
W
H/9
3
RD/94
BUTT SPLICE-WITH HEAT SHRINK
3 PLACES
SEE NOTE 1
BK/92
BLOWER
HOUSING
GND
RD/18
YL/6
YL/6
YL/10
YL/10
YL/8
YL/8
GR/9
BK/24
RD/25
WH/
26
YL/50
YL/50
BK/39
BK/39
WH/40
WH/40
WH/23
GR/41
YL/42
GY/63GY/63
GY/64 GY/64
GY/56
GY/57
GY/57
LIGHT-EMITTING DIODE
SEE NOTE 7
Optional Kit
BAYFURNPTKT (Return
Static Pressure)
BK/83
RD/82
WH/81
RD/80
SEE NOTE 9
X
X
24v
120v
TNS
VENT
MOTOR
(INDUCER)
**
GAS
VALVE
1
2
3
RAF-1
IGN
PS1
PS2
X
THERMAL_LIMIT
FLAME_ROLLOUT2
FLAME_ROLLOUT1
FLAME_PROBE
1
2
3
1
2
2
1
JUNCTION BOX
120v 60 Hz. 1 PH
POWER SUPPLY PER LOCAL CODE
H N
GND
X
RAF-2
121110987654321
1 2 3 4 5 6 7 8 9 10 11 12
1
2
1 2 3
S1
S2
S3
15
14
13
12
11
10
9
8
7
6
5
4
3
2
1
12345
123
1234
BK W2 W1 R G
B/C
Y2 Y1 O
THERMOSTAT
ACC2
ACC1 NEUTRAL
LINE
E24
1-TH
BK JUMPER
E19
E2
E25
5A
E21
E22
E38
E18
BLE_EN
STATUS
COMM
MENU
OPTION
15-MVL
14-MVC
12
11-TR
10-HLI
9-GND
8-RAF
7-PS1
6-RL1
5-MVH
4-PS2
3-PSO
2-HLO
13
Y1-O
JUMPER
COMM PORTS
GREEN
AMBER
+
-
IND-LO
IND-HI
IND-N
IGN-N
ING-H
1
1
R
DH
DL
B
R
DH
DL
B
R
DH
DL
B
1
1
COIL ID 1
SUP_T 1
RET_TEMP
E26
1
1
EXT
EXT
SW1
SW2
1
2
3
3
2
1
X
BLOWER
MOTOR
C
RX
TX
V
L1
N
GND
J1
J2
1
2
3
4
5
4
3
2
1
3 2 1
PRESSURE
TRANSDUCER
THERMISTOR
1 2 3
LINE CHOKE
1
2
3
4
IFC
24V
24V
(Not Applicable to S8V2-C)
(Not Applicable to S8V2-C)
BL
BL
WH
WH
BK
BK
WH
WH
GR
BL
BL
RD
RD
BK
RD
WH
GR/YL
GR/YL
GR
WH WH
BKBK
WH
WH
BK
BK
BK
BK
BK
BK
BL
BR
BR
BK
BK
WH
WH
WH
BK
BK
BK
PANEL LOOP
WH
WH
GY
GY
YL
RD
RD
RD
RD
RD
RD BR
BR
YL
YL
YL
YL
OR
ORRD
RD
YL
YL YL
YL
YL
YL
YL
YL
RD
RD
RD
R
D
WH
BK
24 VAC OUT
24 VAC OUT
VENT
MOTOR
(INDUCER)
**
1
2
3
IGN
TH
HLO
PSO
PS2
MVH
RLI
PS1
RAF
GND
HLI
TR
MVC
MVL
W2 W1 R G
B/C
Y2
Y1
O
THERMOSTAT
LINE-H
CIR-H
HXFMR-N
LINE-N
CIR-N
XFMR-N
IND-LO
IND-HI
IND-N
ING-N
IGN-H
12V
RX
TX
GND
1
2
3
4
5
6
7
8
9
10
11
12
13
14
15
1
2
3
4
5
4
3
2
1
4
3
1
3
2
1
IFC
E24
LINE
NEUTRAL
E2
E25
1
2
3
E21
E19
FP
RET
TEMP
E26
EXT
EXT
SW1
SW2
1
2
4
3
JUNCTION BOX
120v 60 Hz. 1 PH
POWER SUPPLY PER LOCAL CODE
H N
GND
LINE CHOKE
24v
120v
TNS
GAS
VALVE
123
FLAME_ROLLOUT1
FLAME_ROLLOUT2
RAF-1
THERMAL_LIMIT
PS2
PS1
FLAME PROBE
1
2
RAF-2
BLOWER
MOTOR
RX
N
GND
J1
J2
TX
V
L1
C
2
1
THERMISTOR
S8V2-C
SEE NOTE #6

Related product manuals