EasyManua.ls Logo

Trane YHC092E - Page 34

Trane YHC092E
64 pages
Print Icon
To Next Page IconTo Next Page
To Next Page IconTo Next Page
To Previous Page IconTo Previous Page
To Previous Page IconTo Previous Page
Loading...
Installation
34 RT-SVX21K-EN
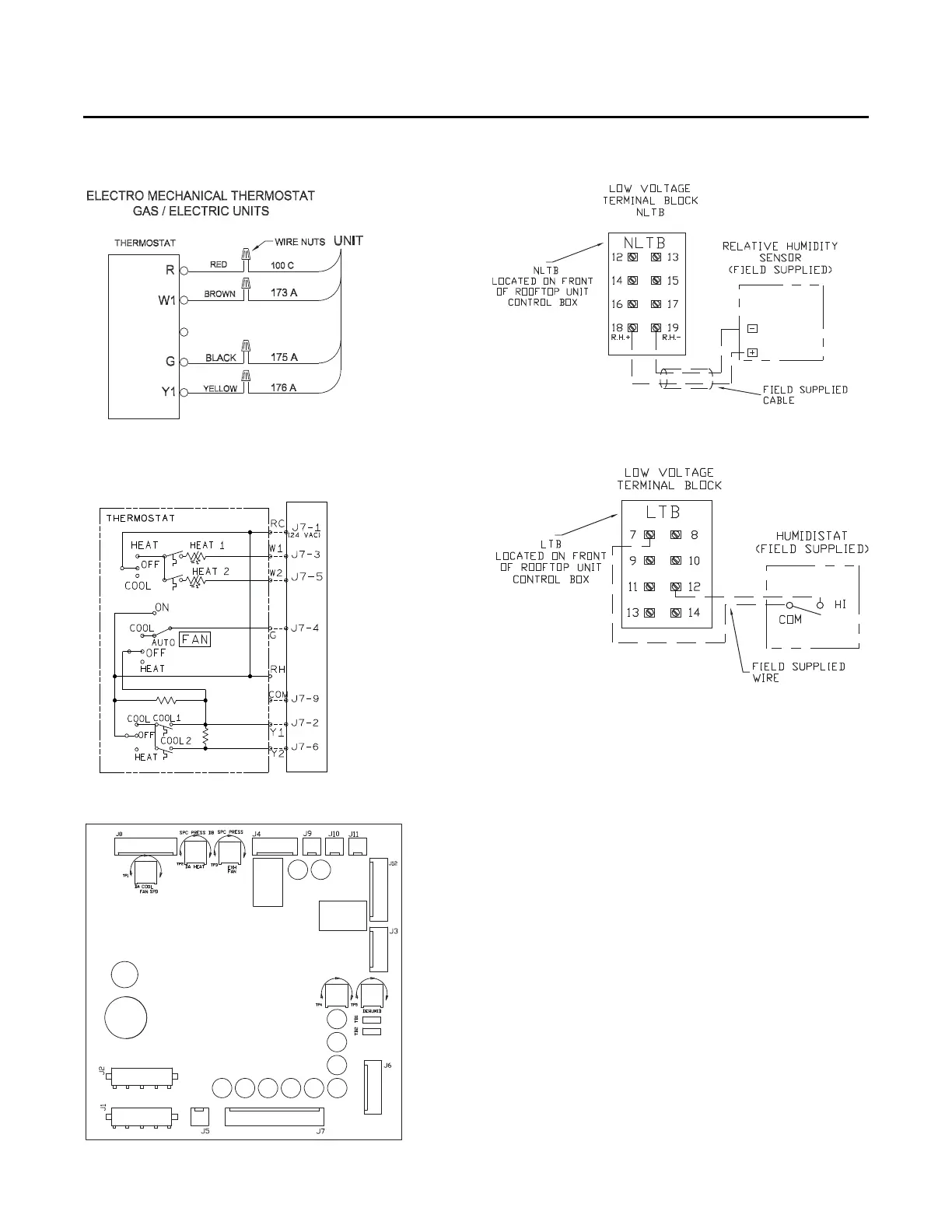
Figure 40. Typical field wiring diagrams for
electromechanical
Figure 41. ReliaTel conventional thermostat field wiring
diagrams
Figure 42. ReliaTel options module
RTRM
Figure 43. ReliaTel relative humidity sensor
(dehumidification option)
Figure 44. ReliaTel humidistat (dehumidification option)

Table of Contents

Related product manuals