EasyManua.ls Logo

Traulsen RBC100 - Wiring Diagram: RBC200 & RBC200 RT Models

Traulsen RBC100
28 pages
Print Icon
To Next Page IconTo Next Page
To Next Page IconTo Next Page
To Previous Page IconTo Previous Page
To Previous Page IconTo Previous Page
Loading...
-23-
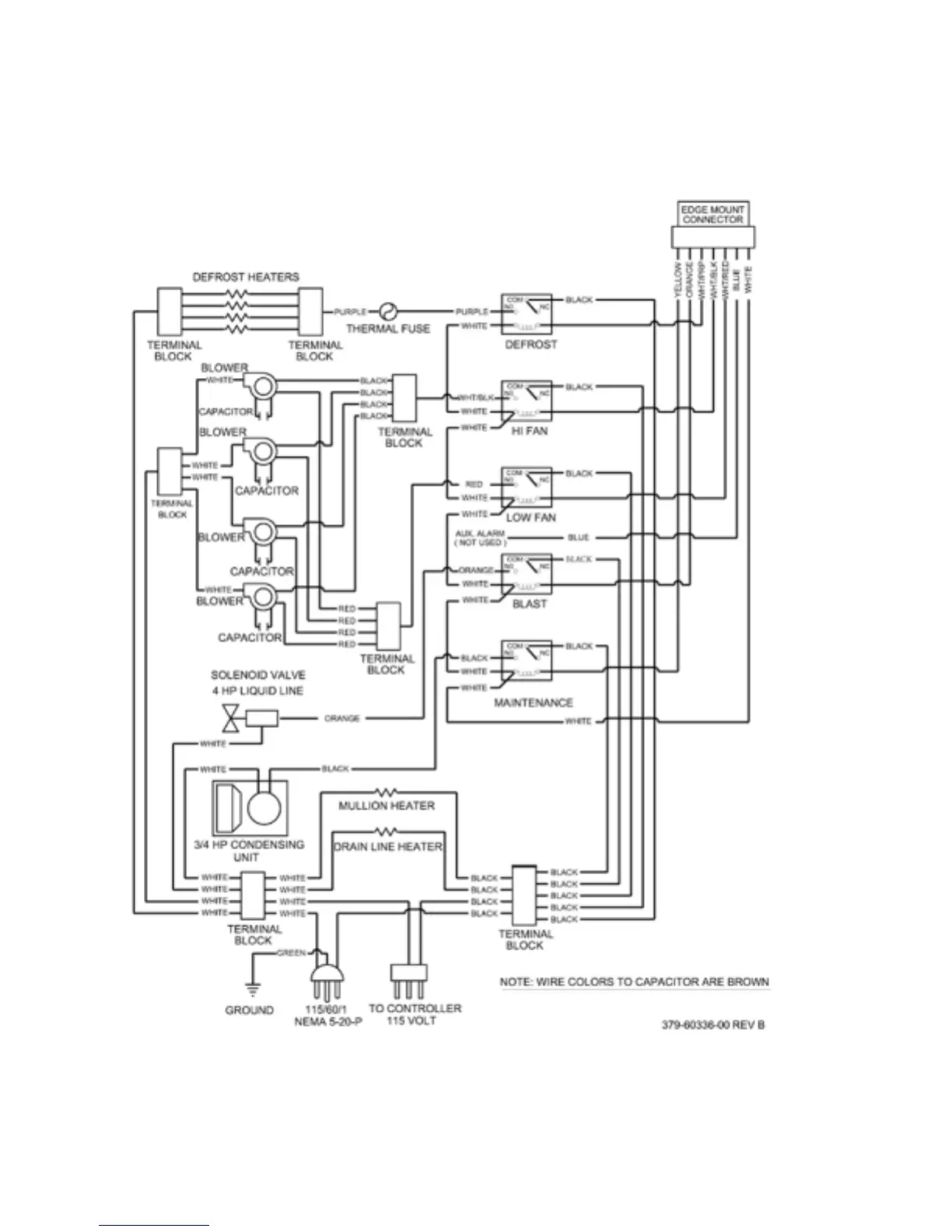
X. WIRING DIAGRAM - RBC200 & RBC200RT

Table of Contents

Other manuals for Traulsen RBC100

Related product manuals