EasyManua.ls Logo

Trek 50 - Appendix A; Active Load Limitations

Trek 50
17 pages
Print Icon
To Next Page IconTo Next Page
To Next Page IconTo Next Page
To Previous Page IconTo Previous Page
To Previous Page IconTo Previous Page
Loading...
APPENDIX A
ACTIVE LOAD LIMITATIONS
The Model 50/750 is designed for driving
active loads. Active loads are loads capable
of returning energy into the output of the
amplifier. An example of an active load is a
piezoelectric transducer. A piezoelectric
transducer will develop a voltage across
itself when forced to expand or contract.
The amount of energy that can be generated
by the piezoelectric transducer or any active
load is determined by the formula:
Energy in joules = 1/2CV
2
,
where C is the capacitance value of the
active load and V is the voltage created by
the stress on the active load.
When the voltage created by an active load
is within the output voltage range of the
50/750, there is no practical limitation to the
amount of energy that the 50/750 must
absorb.
However, a limitation for the amount of
energy the 50/750 can absorb occurs when
the voltage created by the active device
exceeds the voltage range of the 50/750.
The amount of energy that the output can
absorb is a complex function of the voltage,
of the duration of the current, and of their
effects upon different components in the pro-
tective circuit.
A limitation for the amount of energy that the
50/750 can absorb is based on the maximum
energy that certain components in the
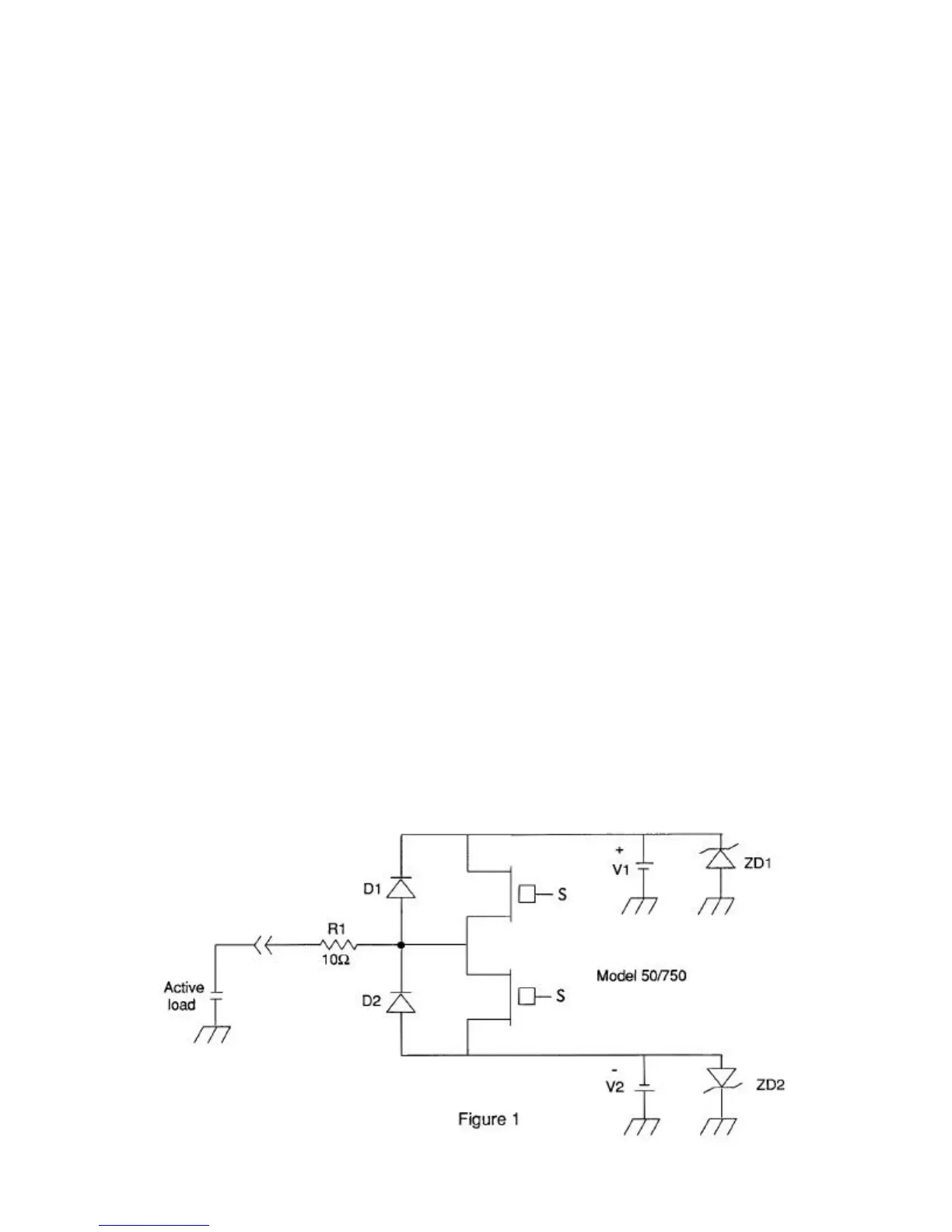
50/750 can dissipate. Please refer to Figure
1 for the following discussion. D1 and D2
become forward biased when the voltage
created by the active device exceeds the
value of V1 or V2. (V1 and V2 represent the
high voltage supplies of the 50/750.) When
this occurs, V1 or V2 act as capacitors and
begins charging until the voltage rating of
ZD1 or ZD2 is reached. At this point ZD1 or
ZD2 absorbs the energy produced by the
active load.
NOTE: ZD1 and ZD2 are idealized repre-
sentations of different components in the
50/750. The specific components (zener
voltage values) are different when the
50/750 is operated in different output voltage
ranges.
A1