EasyManua.ls Logo

TRIATEK FMS-2000C - Relay Output Wiring; Warning Relay Output Wiring

TRIATEK FMS-2000C
49 pages
Print Icon
To Next Page IconTo Next Page
To Next Page IconTo Next Page
To Previous Page IconTo Previous Page
To Previous Page IconTo Previous Page
Loading...
FMS-2000C
LIT-12013531
32
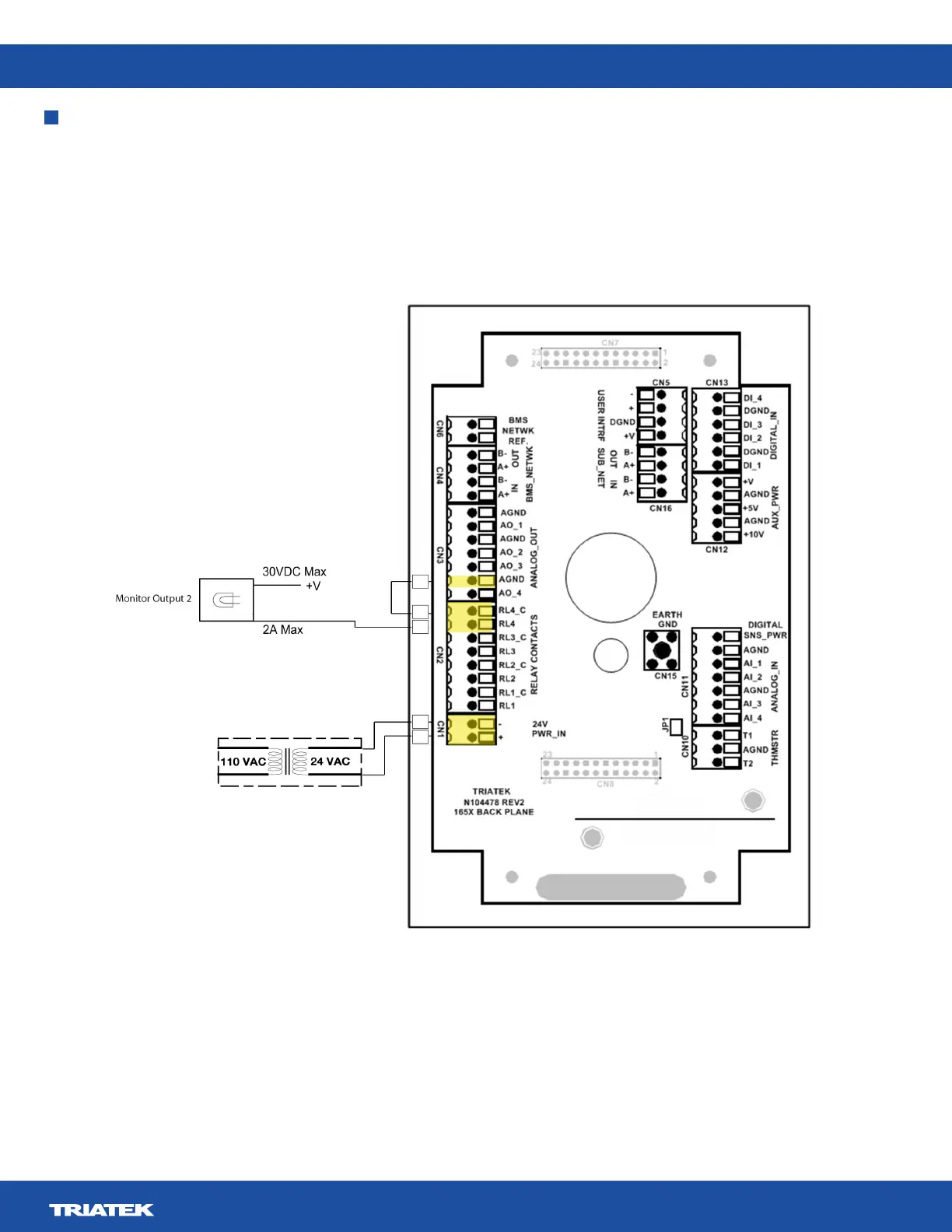
Wiring the relay output to warn
Note: The above example associates monitor output 2 with contacts RL4 and RL4_C for illustrative purposes only. Any of the four
relays and the corresponding relay C can be used.
Figure 26: Warning wiring diagram
Step Down
Isolation Transformer

Related product manuals