EasyManua.ls Logo

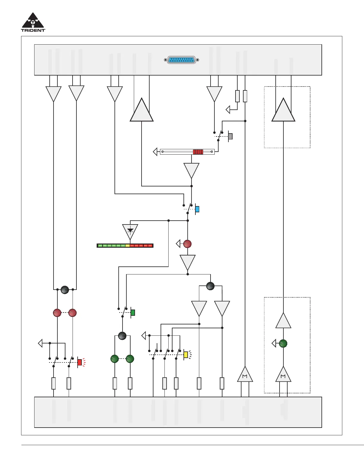
Trident 68 console - Group Module Signal Flow; Group Module Flow Diagram

Trident 68 console
28 pages
Print Icon
To Next Page IconTo Next Page
To Next Page IconTo Next Page
To Previous Page IconTo Previous Page
To Previous Page IconTo Previous Page
Loading...
Trident 68 Owners Manual25
Trident 68 Group Module Flow Diagram




























































































Trident 68 Master Module Flow Diagram

Related product manuals