EasyManua.ls Logo

Trojan MULTIFUNTION SMITH MACHINE - Page 14

Trojan MULTIFUNTION SMITH MACHINE
60 pages
Print Icon
To Next Page IconTo Next Page
To Next Page IconTo Next Page
To Previous Page IconTo Previous Page
To Previous Page IconTo Previous Page
Loading...
22
23
76
95
22
23
76
95
17
18
28
28
21
26
26
26
27
27
26
24
26
26
26
27
27
26
25
20
19
28
28
88
39
61
60
39
8
79
79
90
84
39
61
39
60
79
87
87
86
86
31
31
85
29
78
59
10
30
70
86
87
89
84
55
55
84
79
79
79
77
77
9
72
52
100
53
30
70
86
87
71
31
31
85
71
144
78
79
79
12
79
79
144
79
88
11
48
48
65
67
69
81
43
93
93
84
91
134
134
134
134
21
80
80
76
23
93
95
26
21
22
26
25
24
20
21
22
23
76
93
95
27
27
27
27
28
28
28
28
26
26
19
18
17
80
80
70
77
77
70
30
10
30
90
91
48
48
65
67
39
88
61
61
60
39
79
79
79
79
79
9
72
52
53
29
100
78
78
79
79
79
79
79
39
39
60
84
84
87
87
87
87
86
86
86
86
59
55
55
84
84
89
79
11
12
31
31
43
81
69
8
134
31
85
71
71
85
134
144
134
144
134
31
88
26
26
26
26
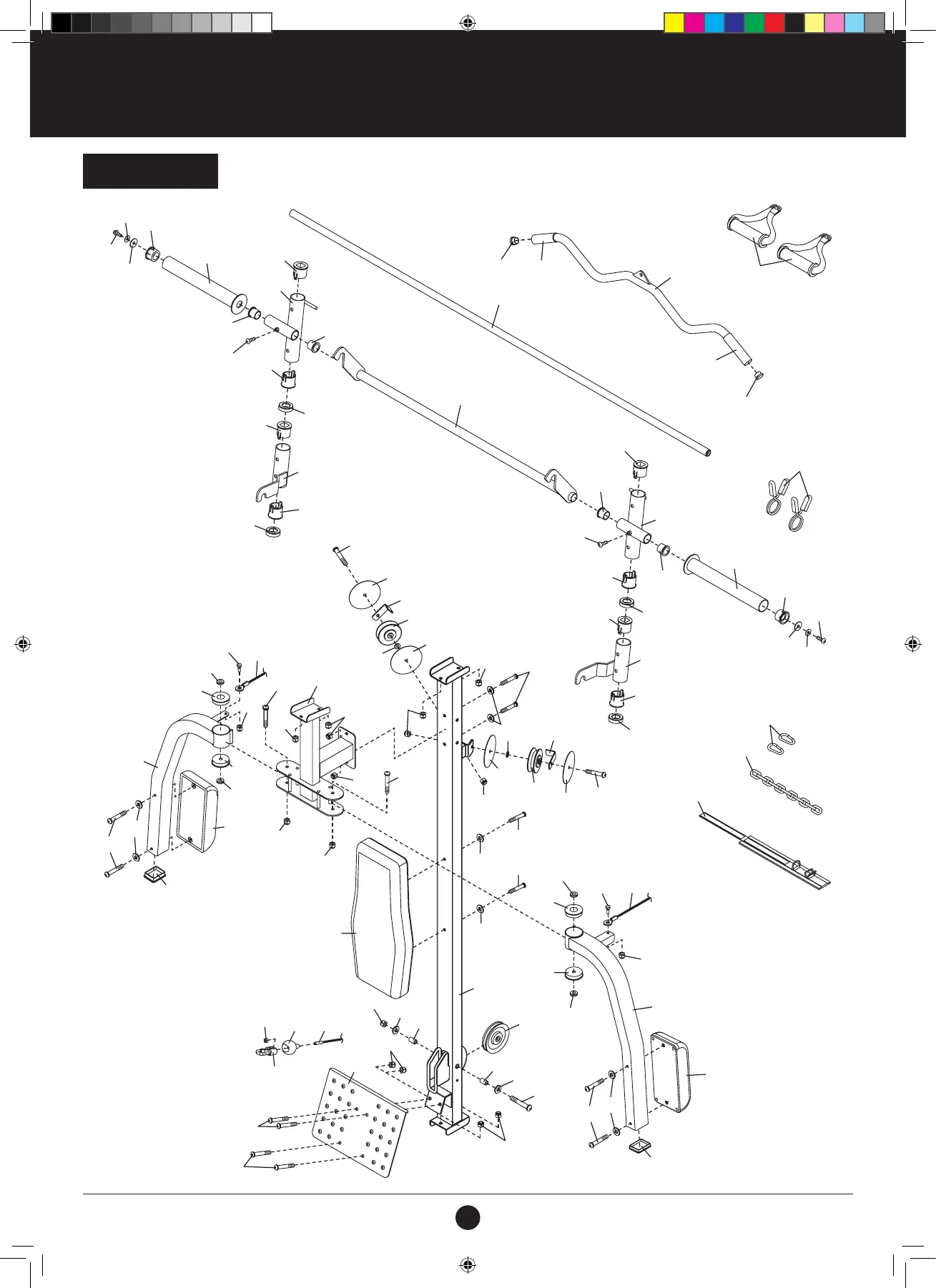
EXPLODED DRAWING
DRAWING B
14
#21M05T035 Multifunction Smith Machine UM A4.indd 14 2021/06/24 11:27 AM

Related product manuals