EasyManua.ls Logo

Trophy 1901 Bat - Wire Diagrams; Engine Electrical System

Default Icon
52 pages
Print Icon
To Next Page IconTo Next Page
To Next Page IconTo Next Page
To Previous Page IconTo Previous Page
To Previous Page IconTo Previous Page
Loading...
40
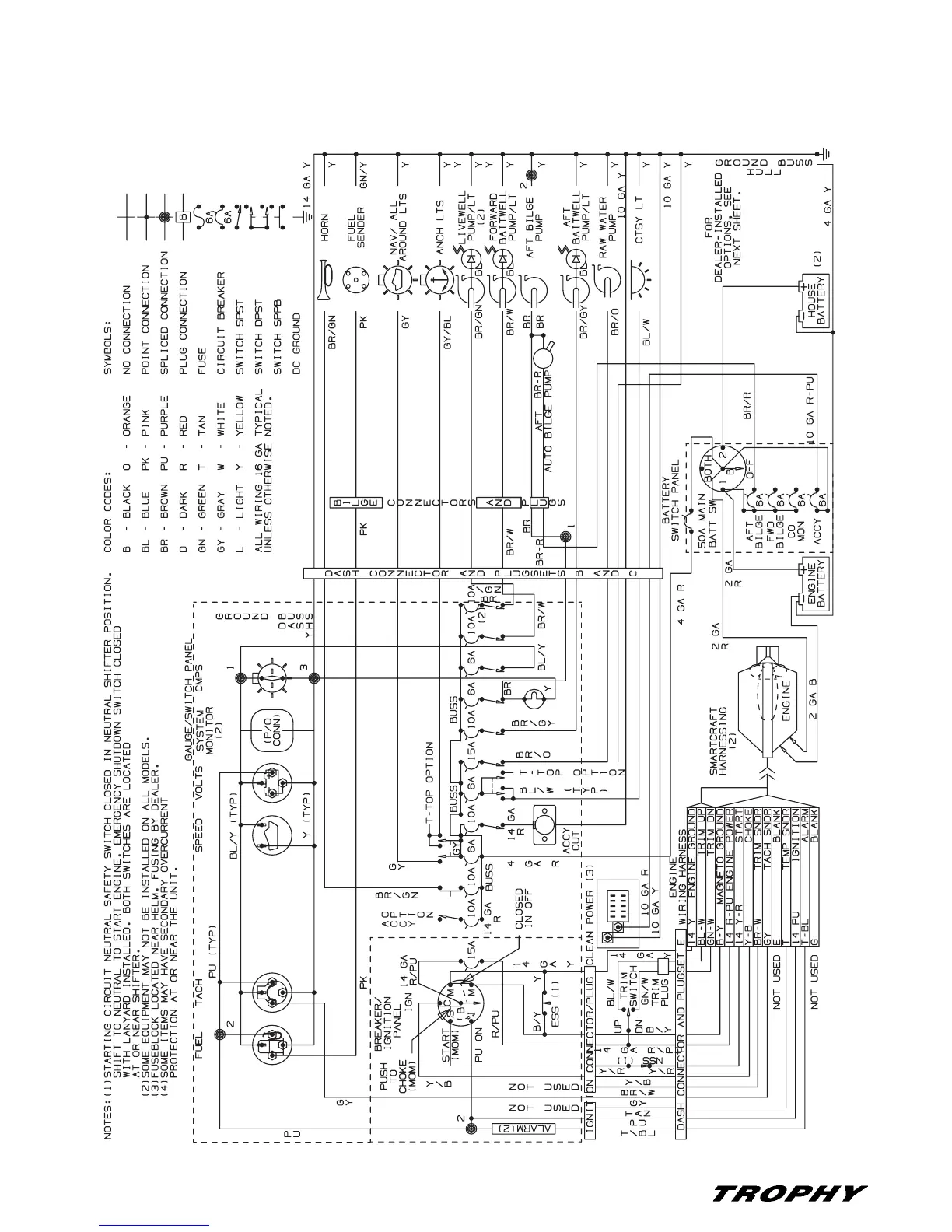
Chapter 9: Electrical System 1901 Bay Boat Owner’s Manual Supplement
Wire Diagrams
Engine Electrical system

Table of Contents

Related product manuals