EasyManua.ls Logo

Troy-Bilt 604 - Parts List

Troy-Bilt 604
40 pages
Print Icon
To Next Page IconTo Next Page
To Next Page IconTo Next Page
To Previous Page IconTo Previous Page
To Previous Page IconTo Previous Page
Loading...
ÿþ
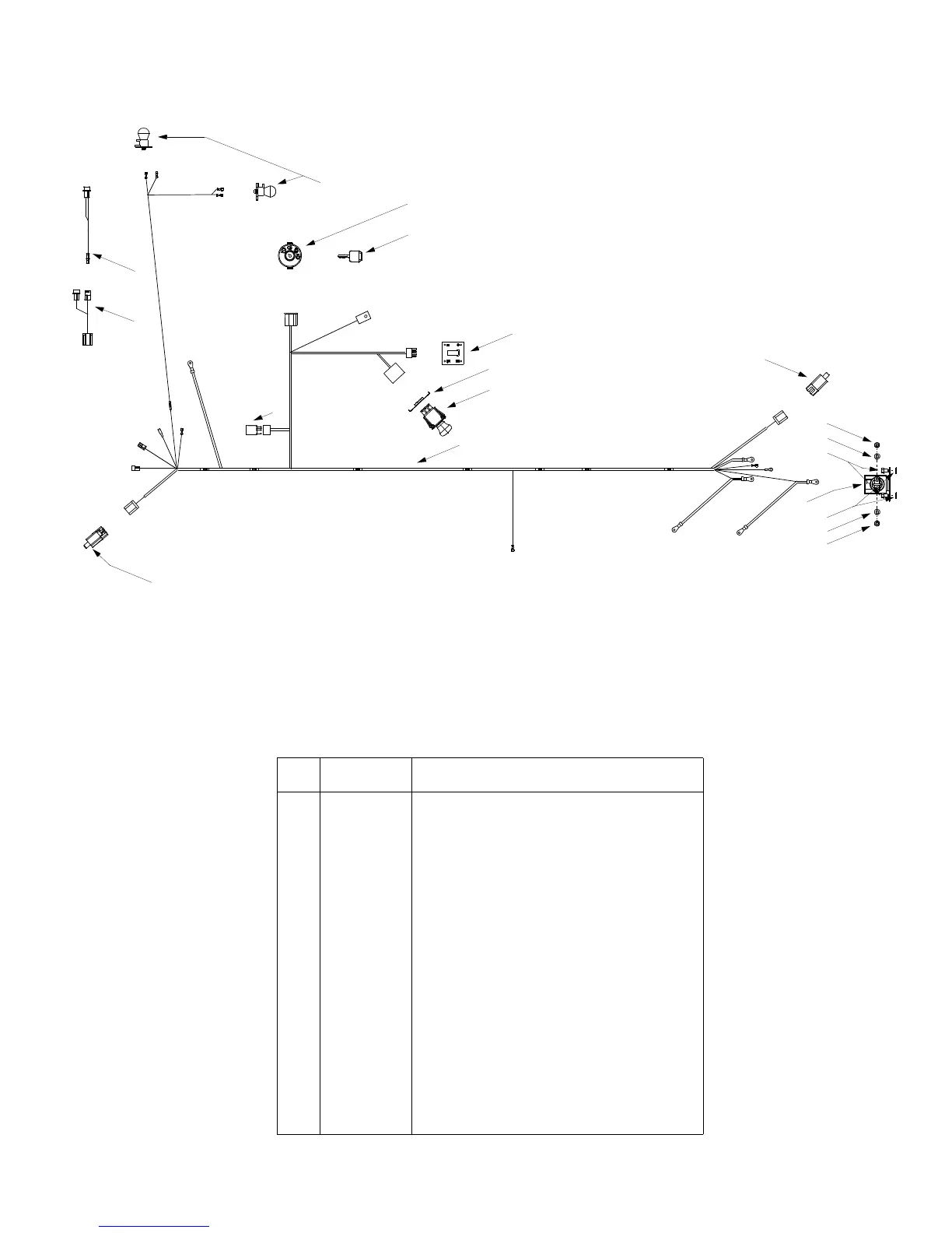
REF.
NO.
PART
NO. DESCRIPTION
1 625-0051 Bulb/Socket Headlight Assembly
725-1739 Bulb Only
725-1649 Socket Only
2 629-0928 Wiring Harness (Includes Ref 17)
3 629-0126 Alternator Adapter (for Intek engines)
4 710-0599 Self Tapping Screw, 1/4-20 x .5
5 712-3006 Hex Nut, 1/4-20
6 725-1426 Solenoid, 12-volt, 100 Amp
7 725-1657A Snap Mount Safety Interlock Switch
8 725-1741 Ignition Switch
9 725-1743 Indicator Monitor / Hour Meter
10 725-1745 Ignition Key (w/ plastic cover, shown)
725-1744 Ignition Key
11 725-1747 Safety Plunger Switch
12 736-0222 External Lock Washer, 1/4
13 736-0329 Lock Washer, 1/4
14 725-1752 Electric PTO Switch
15 783-0462 Retainer Bracket
16 629-0889 Alternator Adapter (for Kohler engines)
17 725-1648 Electric PTO Relay
Model 604
9
3
8
10
1
7
5
11
5
13
13
6
4
5
2
14
15
16
17

Related product manuals