EasyManua.ls Logo

TTI TCB-550 - Block Diagram

TTI TCB-550
39 pages
Print Icon
To Next Page IconTo Next Page
To Next Page IconTo Next Page
To Previous Page IconTo Previous Page
To Previous Page IconTo Previous Page
Loading...
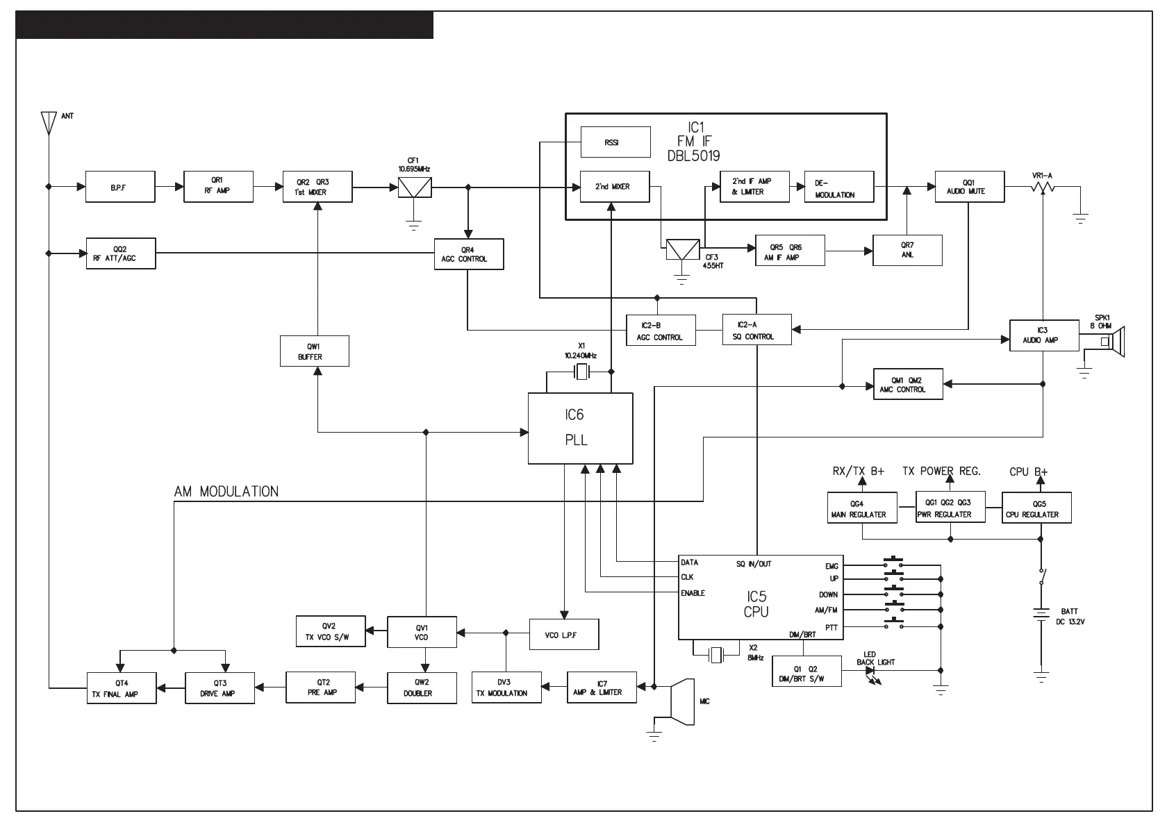
SECTION6 BLOCK DIAGRAM

Other manuals for TTI TCB-550

Related product manuals