EasyManua.ls Logo

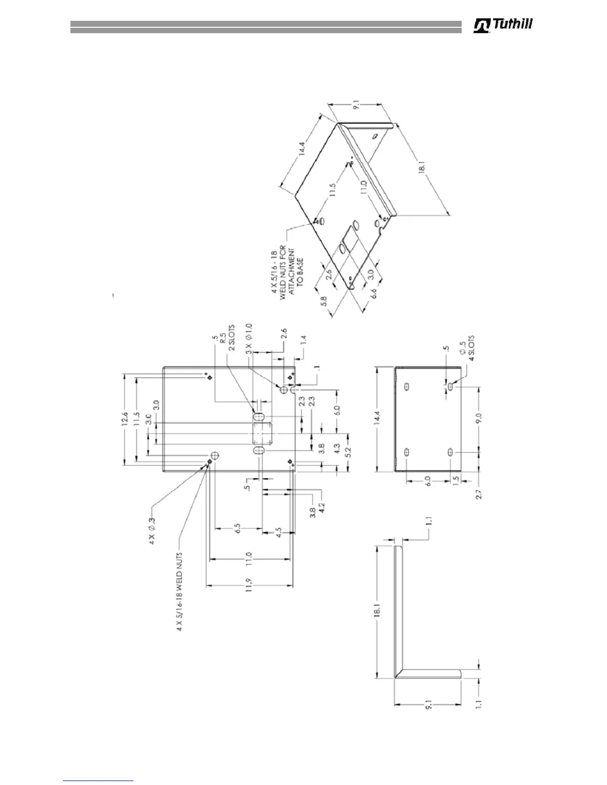
Tuthill Fill-Rite - Optional Mounting Platform Dimensions

Tuthill Fill-Rite
16 pages
Print Icon
To Next Page IconTo Next Page
To Next Page IconTo Next Page
To Previous Page IconTo Previous Page
To Previous Page IconTo Previous Page
Loading...
13
Optional Mounting Platform Dimensions

Related product manuals