EasyManua.ls Logo

TYM T954 - Page 115

TYM T954
189 pages
Print Icon
To Next Page IconTo Next Page
To Next Page IconTo Next Page
To Previous Page IconTo Previous Page
To Previous Page IconTo Previous Page
Loading...
D
OPERATION
D
17
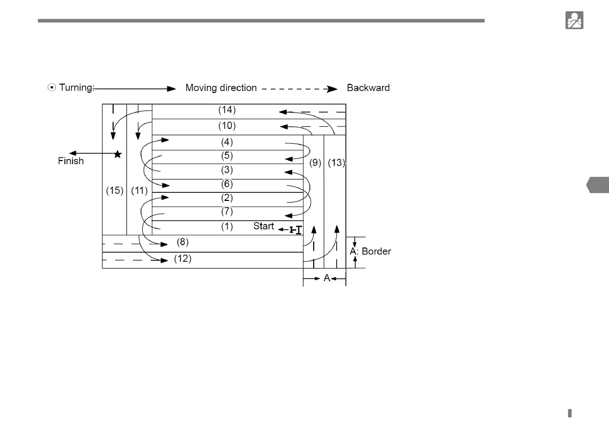
3. Land leveling pattern
The land leveling work may be
performed after crushing soil or not.
The vehicle speed can be set faster
when performing the land leveling
work with soil crushed already.
When working in a wet field, fill the
field with a sufficient amount of
water so that the trace of plowing
cannot be seen.
The border shown in the figure
should be set a little narrower than
two times of one plowing width.
Refer to the alternating returning
pattern for other details.

Related product manuals