EasyManua.ls Logo

Ulvac GP-1G - 7 Related Drawings

Ulvac GP-1G
36 pages
Print Icon
To Next Page IconTo Next Page
To Next Page IconTo Next Page
To Previous Page IconTo Previous Page
To Previous Page IconTo Previous Page
Loading...
RELATED DRAWINGS
- 25 -
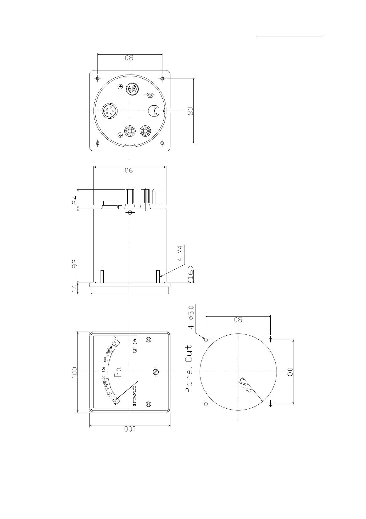
9. RELATED DRAWINGS
Fig. 7-1 Dimensional drawing for GP-1G

Related product manuals