EasyManua.ls Logo

Usl JSD-80 - Two-Channel Analog Inputs Block Diagram

Usl JSD-80
39 pages
Print Icon
To Next Page IconTo Next Page
To Next Page IconTo Next Page
To Previous Page IconTo Previous Page
To Previous Page IconTo Previous Page
Loading...
USL, Inc.
JSD-80 Instruction Manual
Page 11
3rd Edition. February, 2006
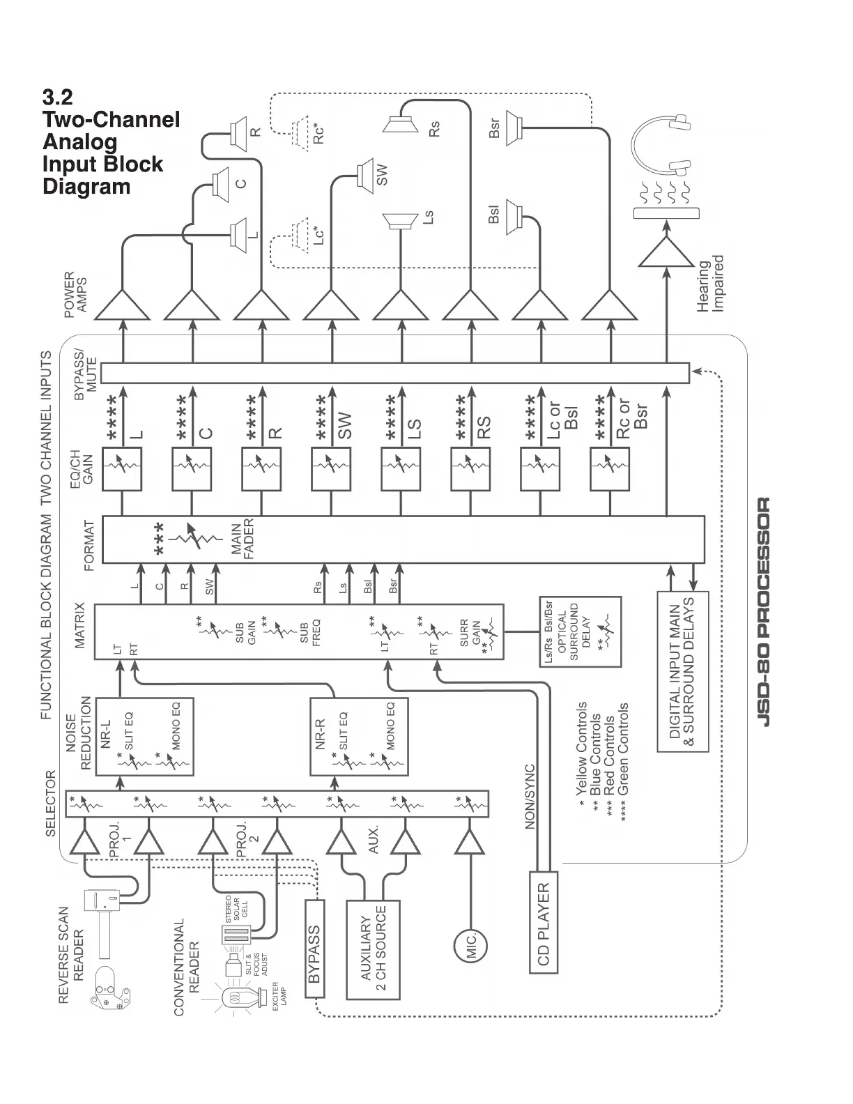
3.2
3.2
Two-Channel
Analog
Input Block
Diagram

Related product manuals