EasyManua.ls Logo

Usl JSD-80 - Control Block Diagram

Usl JSD-80
39 pages
Print Icon
To Next Page IconTo Next Page
To Next Page IconTo Next Page
To Previous Page IconTo Previous Page
To Previous Page IconTo Previous Page
Loading...
USL, Inc.
JSD-80 Instruction Manual
Page 13
3rd Edition. February, 2006
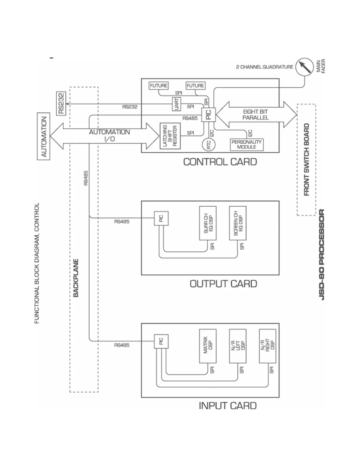
3.4
Control Block
Diagram
Diagram

Related product manuals