EasyManua.ls Logo

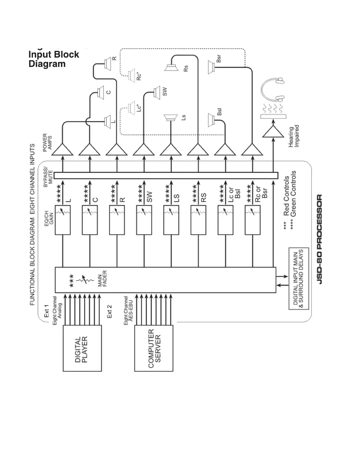
Usl JSD-80 - Eight-Channel Input Block Diagram

Usl JSD-80
39 pages
Print Icon
To Next Page IconTo Next Page
To Next Page IconTo Next Page
To Previous Page IconTo Previous Page
To Previous Page IconTo Previous Page
Loading...
USL, Inc.
JSD-80 Instruction Manual
Page 12
3rd Edition. February, 2006
3.3
Eight-Channel
Eight-Channel
Input Block
Diagram
Ext 1
Ext 2

Related product manuals