EasyManua.ls Logo

USTC 2500 jbt - Page 72

Default Icon
98 pages
Print Icon
To Next Page IconTo Next Page
To Next Page IconTo Next Page
To Previous Page IconTo Previous Page
To Previous Page IconTo Previous Page
Loading...
SECTION 6 ELECTRICAL
6-10 USTC January 15, 2001
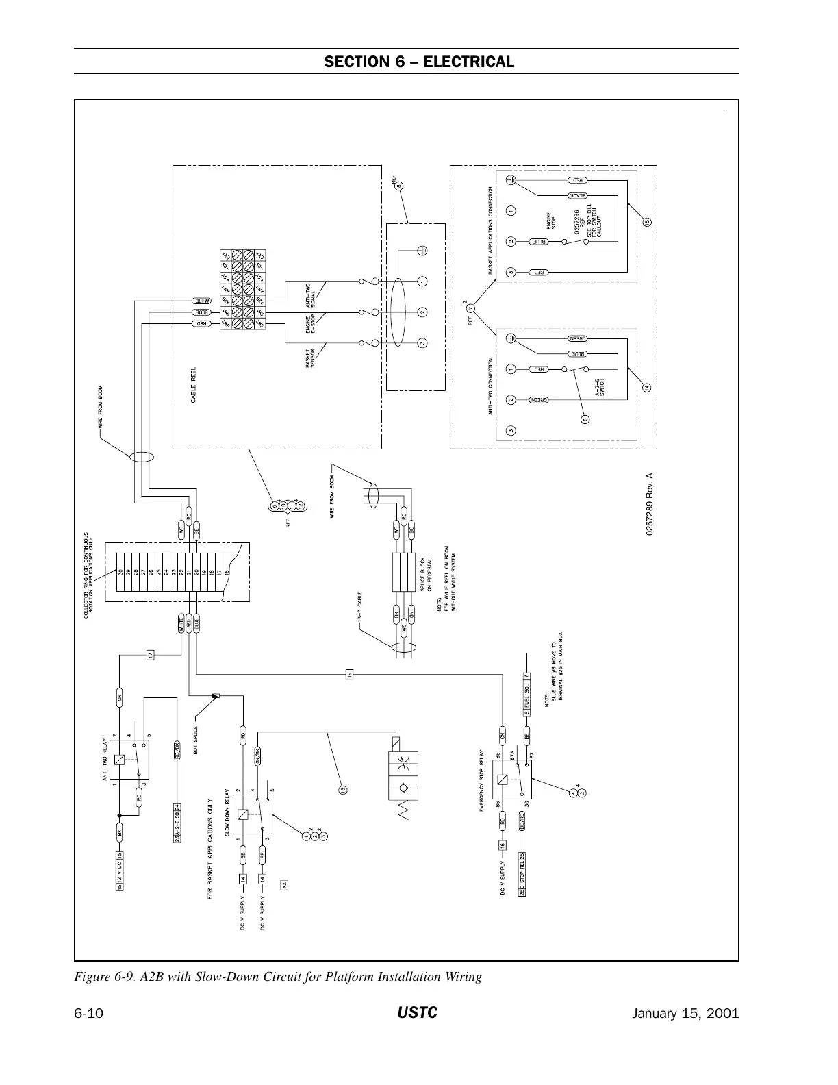
Figure 6-9. A2B with Slow-Down Circuit for Platform Installation Wiring
0257289 Rev. A
Courtesy of Crane.Market

Table of Contents