EasyManua.ls Logo

USTC 2500 jbt - Page 96

Default Icon
98 pages
Print Icon
To Next Page IconTo Next Page
To Next Page IconTo Next Page
To Previous Page IconTo Previous Page
To Previous Page IconTo Previous Page
Loading...
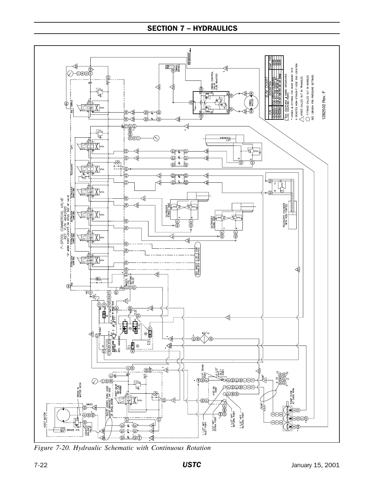
SECTION 7 HYDRAULICS
7-22 USTC January 15, 2001
Figure 7-20. Hydraulic Schematic with Continuous Rotation
1282502 Rev. F
Courtesy of Crane.Market

Table of Contents