EasyManua.ls Logo

V-Tec DT596/KP - Page 11

V-Tec DT596/KP
28 pages
Print Icon
To Next Page IconTo Next Page
To Next Page IconTo Next Page
To Previous Page IconTo Previous Page
To Previous Page IconTo Previous Page
Loading...
-9-
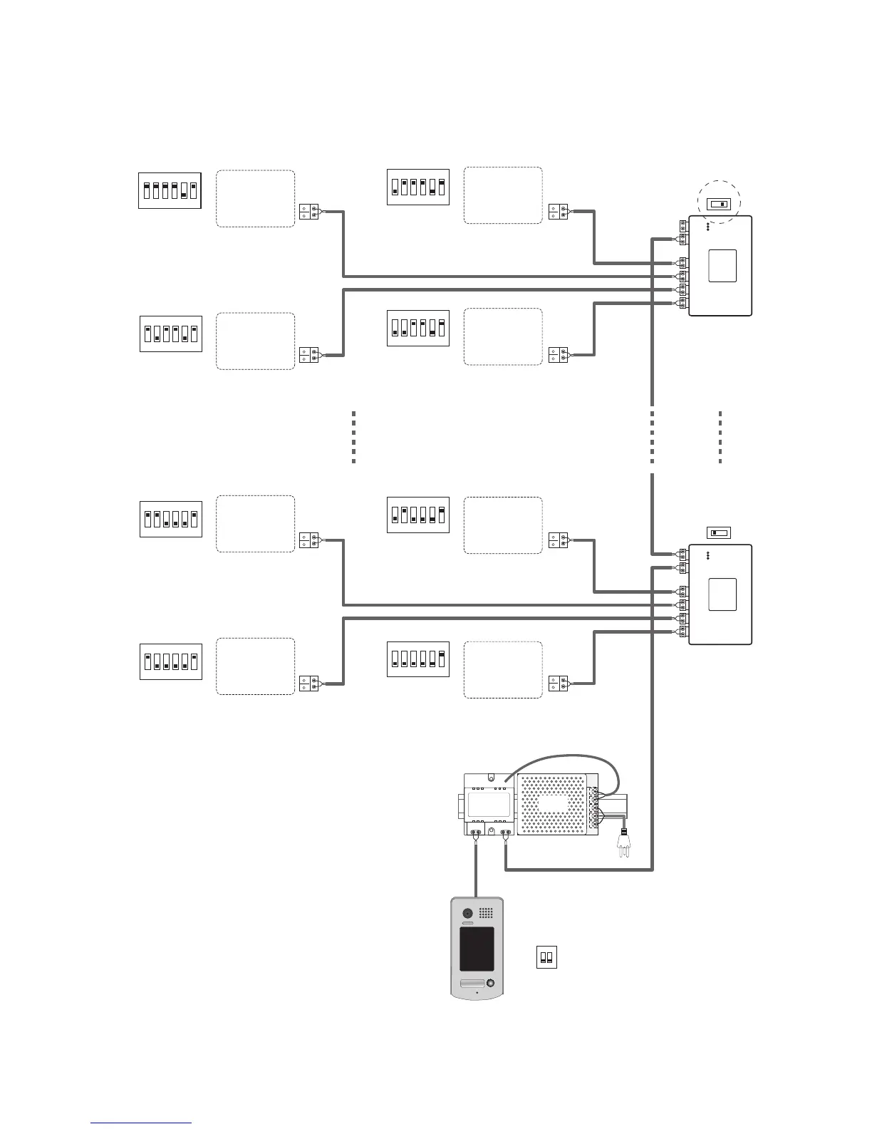
With DBC-4 Wiring Mode
HI
HI
monitor
monitor
monitor
monitor
monitor
monitor
monitor
monitor
DBC-4
A B C D
IN
OUT
DBC-4
A B C D
IN
OUT
85~260AC
DPS
PS5
1 2 3 4 5 6
ON
1 2 3 4 5 6
ON
1 2 3 4 5 6
ON
1 2 3 4 5 6
ON
Code=15, DIP-6=on
Code=13, DIP-6=on
Code=3, DIP-6=on
Code=1, DIP-6=on
1 2 3 4 5 6
ON
1 2 3 4 5 6
ON
1 2 3 4 5 6
ON
1 2 3 4 5 6
ON
Code=14, DIP-6=on
Code=12, DIP-6=on
Code=2, DIP-6=on
Code=0, DIP-6=on
ID=00
1 2
ON
1
4
5 6
98
0 #
7
*
2 3

Related product manuals