EasyManua.ls Logo

V-Tec DT596/KP - Page 12

V-Tec DT596/KP
28 pages
Print Icon
To Next Page IconTo Next Page
To Next Page IconTo Next Page
To Previous Page IconTo Previous Page
To Previous Page IconTo Previous Page
Loading...
-10-

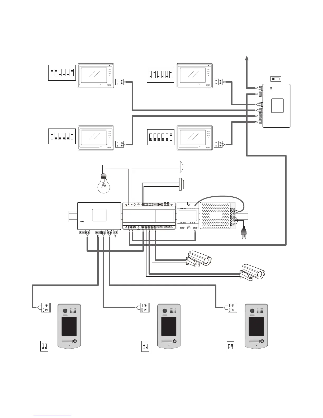
DCU Code =3(11)
Camera 1
Doorstation 1 Doorstation 2
Doorstation 3
Camera 2
1 2
ON
1 2
ON
ID=00
ID=10
1 2
ON
ID=01
1
4
5 6
98
0 #
7
*
2 3 1
4
5 6
98
0 #
7
*
2 3 1
4
5 6
98
0 #
7
*
2 3
85~260VAC
DPS
PS5
1 2 3 4 5 6
ON
1 2 3 4 5 6
ON
1 2 3 4 5 6
ON
1 2 3 4 5 6
ON
HI
DBC-4
A B C D
IN
OUT
Code=0, DIP-6=on
CALL
UNLOCK
TALK/MON
IN-USE
Code=3, DIP-6=on
Code=2, DIP-6=on
Code=1, DIP-6=on
CALL
UNLOCK
TALK/MON
IN-USE
CALL
UNLOCK
TALK/MON
IN-USE
CALL
UNLOCK
TALK/MON
IN-USE
1 2 3 4 5 6
ON
DCU
1 2 3 4
ON
DBC-4
A B C D
BUS
AC
Extending Connections with DCU unit

Related product manuals